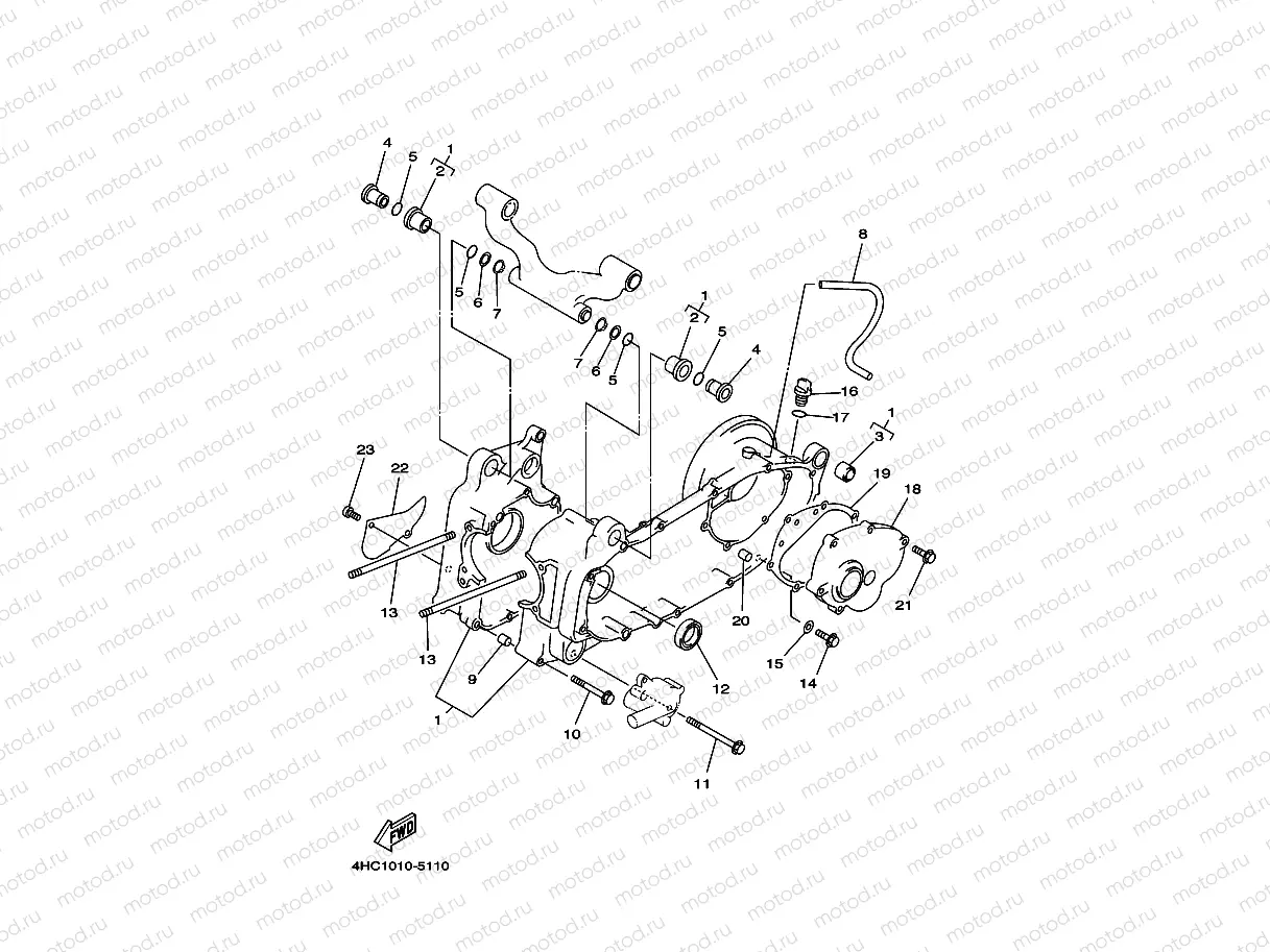
CRANKCASE

CRANKCASE
1
4HC-15100-00
RANKCASE ASSY
Цена по
запросу
2
4HC-15378-01
Втулка крепления двигателя
2 337 ₽
3
164-22216-00
Втулка амортизатора
811 ₽
4
90387-1006J
Втулка
1 812 ₽
5
93210-16275
Кольцо уплотнительное
175 ₽
6
90201-162H4
Шайба
191 ₽
7
99009-16400
Кольцо стопорное
159 ₽
8
90445-135J8
Трубка (L330)
604 ₽
9
91810-14X00
Втулка
312 ₽
10
95022-06070
Болт
152 ₽
11
95027-06100
Болт
159 ₽
12
93102-30284
Сальник
985 ₽
13
90116-08591
Шпилька
858 ₽
14
90105-08X15
pc - Vis
Цена по
запросу
15
90201-08087
Шайба
120 ₽
16
4J2-15363-10
Пробка масляная
540 ₽
17
93210-14579
Кольцо уплотнительное
120 ₽
18
4HC-15421-00
OVER, CRANKCASE 2
Цена по
запросу
19
4HC-15461-00
Gasket, Crankcase Cover 2
1 081 ₽
20
91810-14X00
Втулка
312 ₽
21
95027-08040
Болт
152 ₽
22
4HC-15492-00
Крышка
731 ₽
23
90110-06X26
BOLT, HEXAGON SOCKET HEAD
Цена по
запросу

Узлы для