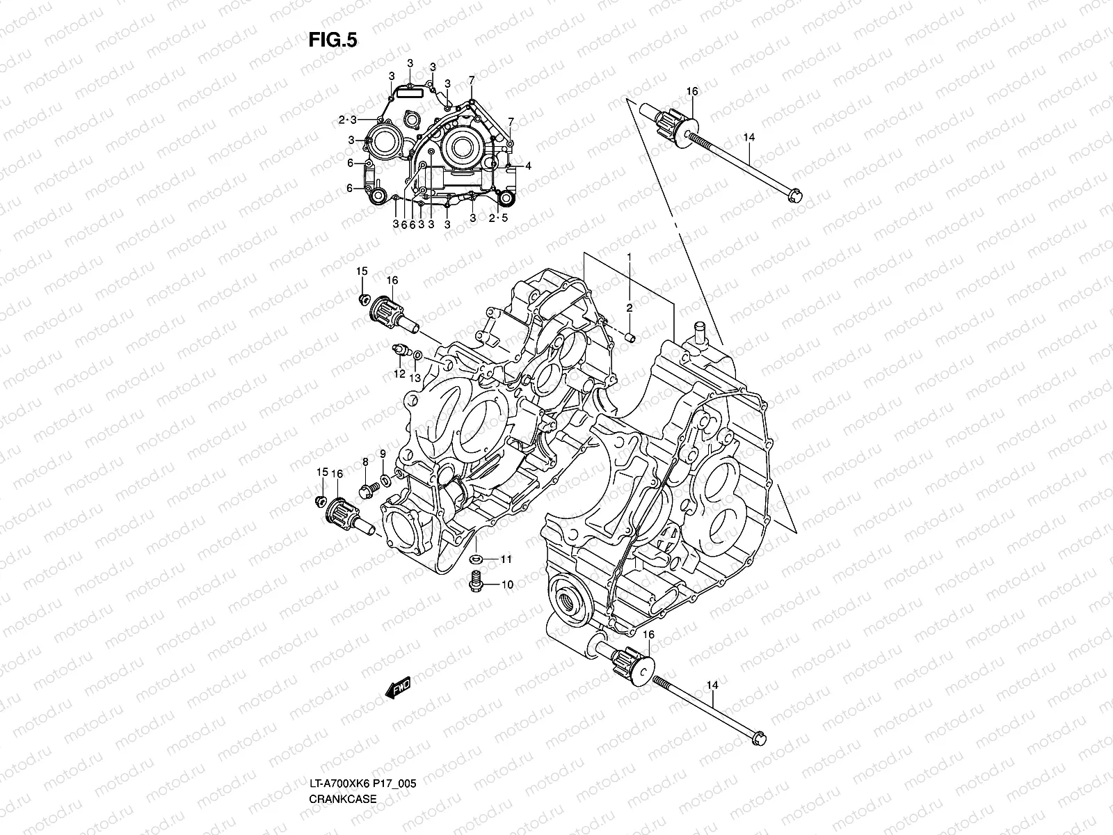
CRANKCASE

CRANKCASE
1
11300-31811
Crankcase set
Цена по
запросу
2
04211-11169
PIN
113 ₽
3
01547-0650B
Болт
1 640 ₽
4
01547-0680B
Болт
113 ₽
5
01547-0690B
БОЛТ
1 920 ₽
6
01550-0850A
Болт
1 840 ₽
7
01550-08753
Vis
Цена по
запросу
8
01550-08123
BOLT, BRACE REAR
Цена по
запросу
9
09168-08016
Прокладка
129 ₽
10
09247-12104
Заглушка T D C
238 ₽
11
09168-12002
Прокладка
81 ₽
12
09493-20014
JET,OIL GALLERY
845 ₽
13
09280-04004
O RING(D:1.2,ID:4.0)
194 ₽
14
09103-10118
BOLT(10X195)
6 370 ₽
15
09159-10115
Гайка
289 ₽
16
11651-31G10
Bush,eng mtg
Цена по
запросу

Узлы для