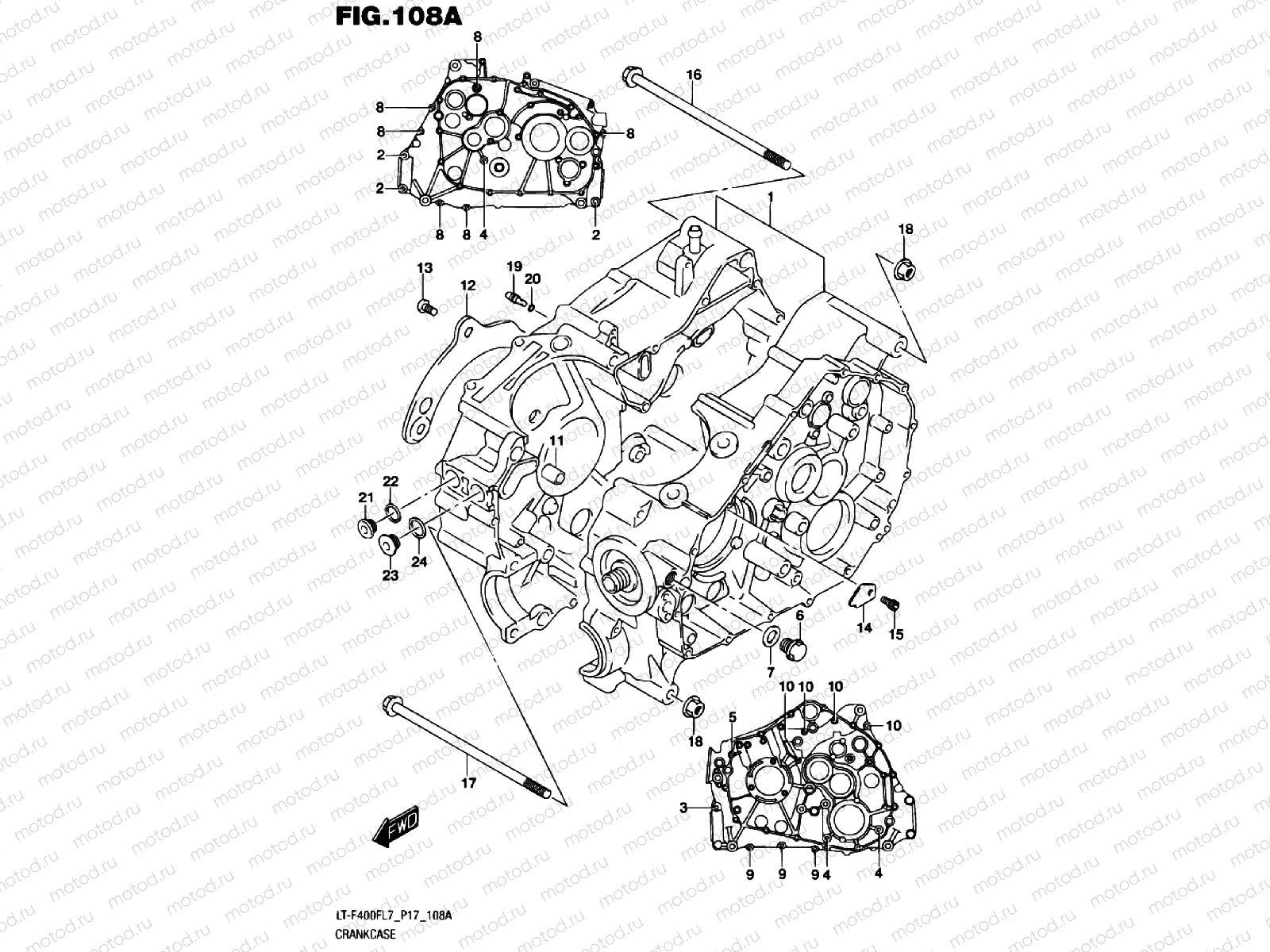
КАРТЕР для LT-F 400 F L7 SUZUKI

CRANKCASE
1
11302-38852
Crankcase set
Цена по
запросу
2
01550-08507
БОЛТ
2 070 ₽
3
01550-08507
БОЛТ
2 070 ₽
4
09103-08300
Болт 8X85
1 880 ₽
5
09103-08217
BOLT(8X60)
1 840 ₽
6
09247-14015
ШЛАНГ
2 310 ₽
7
09168-14004
Прокладка
129 ₽
8
01547-0645A
Болт
97 ₽
9
01547-0645A
Болт
97 ₽
10
01547-0670A
Болт
1 640 ₽
11
04211-13189
ШТИФТ
129 ₽
12
11317-38F10
Plate,oil guide
Цена по
запросу
13
02112-0612B
Болт
85 ₽
13
02112-0612B
Болт
85 ₽
14
11323-38F00
Plate,oil guide
Цена по
запросу
15
02112-0612B
Болт
85 ₽
15
02112-0612B
Болт
85 ₽
16
09103-10118
BOLT(10X195)
6 370 ₽
17
11611-03G00
Bolt,eng mtg
Цена по
запросу
18
09159-10115
Гайка
289 ₽
19
09493-32006
JET,OIL GALLERY(16)
845 ₽
20
09280-04004
O RING(D:1.2,ID:4.0)
194 ₽
21
09248-16012
ШЛАНГ
289 ₽
22
09168-16002
КОЛЬЦО УПЛОТНИТЕЛЬНОЕ
170 ₽
23
09248-18011
ШЛАНГ
527 ₽
24
09168-18009
GASKET(18X24X2)
178 ₽

Узлы для