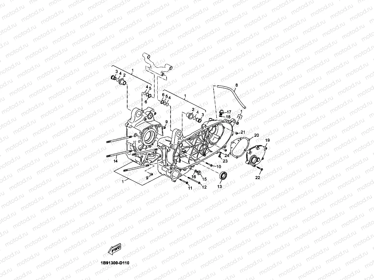
CRANKCASE

CRANKCASE
1
1B9-E5100-00
CRANKCASE ASSY
2
4HC-15378-01
Втулка крепления двигателя
2 337 ₽
3
90387-1006J
Втулка
1 812 ₽
4
93210-15X03
O-Ring
5
90201-16X19
Rondelle
6
93410-16X00
pc - Seeger
7
164-22216-00
Втулка амортизатора
811 ₽
8
90445-13X01
HOSE
9
91810-14X00
Втулка
312 ₽
10
90105-06X28
Болт
608 ₽
11
90105-06X27
Болт
656 ₽
12
95027-06110
Болт
779 ₽
13
93102-25218
Сальник
1 017 ₽
14
90116-08021
Stud bolt
15
90340-12X00
PLUG, STRAIGHT SCREW
16
90430-12X01
Прокладка
668 ₽
17
3VL-E5363-00
Пробка масляная
718 ₽
18
93210-14X01
pc - O-Ring
19
1B9-E5421-10
COVER, CRANKCASE 2
20
1B9-15461-00
GASKET, CRANKCASE COVER 2
21
91810-14X00
Втулка
312 ₽
22
90105-08X25
Vis
23
90105-08X18
Vis
24
90430-08X00
10 pc - Gasket ring

Узлы для