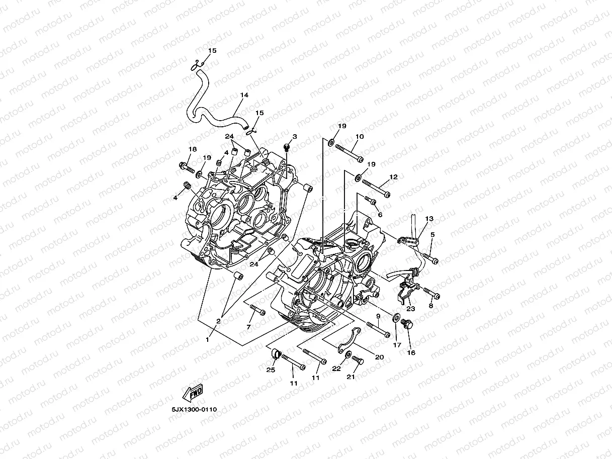
КАРТЕР для XVS125 DRAGSTAR 125 (5JX3) 2001 YAMAHA Dragstar XVS 125 (VIN: VE011)

CRANKCASE
1
5JX-15100-00
Картер
106 513 ₽
2
99530-12016
Втулка
152 ₽
3
95817-06012
Болт
95 ₽
4
2UJ-15138-00
Штуцер
318 ₽
5
97885-06030
Винт
127 ₽
6
97885-06030
Винт
127 ₽
7
98580-06040
Винт
111 ₽
8
98507-06060
Винт
152 ₽
9
98507-06070
Винт
111 ₽
10
98580-06570
Винт
592 ₽
11
98507-06080
Винт
152 ₽
12
Цена по
запросу
13
90465-08277
Скоба
397 ₽
14
5JX-11166-00
PIPE, BREATHER 1
Цена по
запросу
15
90467-14015
Хомут
175 ₽
16
90340-14132
Пробка слива масла
152 ₽
17
214-11198-01
Шайба-прокладка пробки
223 ₽
18
90163-06002
Болт
334 ₽
19
90430-06014
Прокладка
120 ₽
20
2UJ-12279-00
Plate
922 ₽
21
97017-06012
Болт
111 ₽
22
92907-06600
Шайба
95 ₽
23
90465-08060
Зажим
1 240 ₽
24
91810-14X00
Втулка
312 ₽
25
90465-08021
Скоба
461 ₽

Узлы для