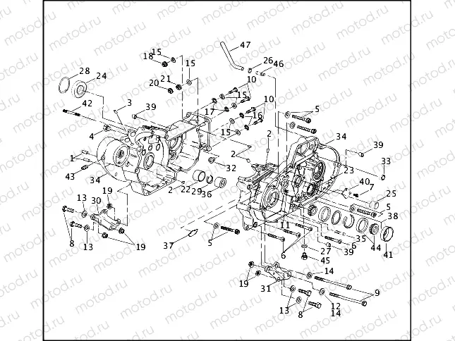
CRANKCASE (2 OF 2)

CRANKCASE (2 OF 2)
34
CRANKCASE SET, w/ 1, 2, 3, 5, 11, 22, 23, 24, 25, 28, 32, 33, 35, 37, 38, 42, 43 & 46 (black)
Цена по
запросу
34
CRANKCASE SET, w/ 1, 2, 3, 5, 11, 22, 23, 24, 25, 28, 32, 33, 35, 37, 38, 42, 43 & 46 (silver)
Цена по
запросу
35
PIN GROOVED
Цена по
запросу
36
24647-87
BEARING, GEARSHAFT - BLUE
Цена по
запросу
36
24650-87
BEARING, GEARSHAFT - RED
Цена по
запросу
36
24659-87
BEARING, GEARSHAFT - WHITE/GRA
Цена по
запросу
36
24660-87
BEARING, GEARSHAFT - GREEN
Цена по
запросу
37
MEDALLION KIT
Цена по
запросу
38
24729-74
BEARING ASSY, CRANKSHAFT
Цена по
запросу
39
24754-75A
DOWEL PIN,SPLIT,HOLLOW
Цена по
запросу
40
29950-91
COVER STATOR WIRE
Цена по
запросу
41
35151-74A
OIL SEAL
Цена по
запросу
42
42449-80A
STUD, TAP END W/SEALANT
Цена по
запросу
43
45830-48
PLUG PIPE
Цена по
запросу
44
48302-85
BEARING ASSY, TLE
Цена по
запросу
45
60348-65B
DRAIN PLUG KIT
Цена по
запросу
46
63533-41A
FITTING,STRAIGHT,W/SEALANT
Цена по
запросу
47
63500-68
FUEL HOSE, RUBBER, 3/8 ID, BUL
Цена по
запросу

Узлы для