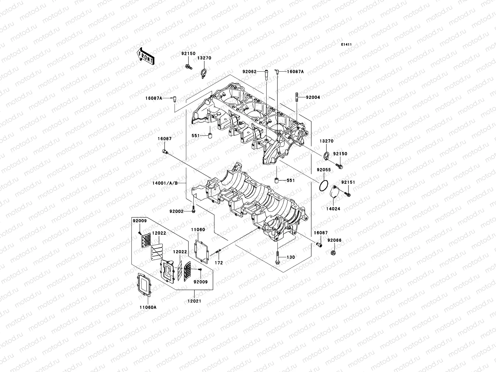
Crankcase

Crankcase
130
130CD-0855
Vis
144 ₽
172
172R0-620
Stud bolt
551
551R1-012
Dowel pin
11060
11060-3717
Intake manifold Gasket
11060
11060-3757
Intake manifold Gasket
12021
12021-3711
VALVE-ASSY-REED
12022
12022-3709
VALVE-REED
13270
13270-3899
PLATE
14001
14001-5377
SET-CRANKCASE
14024
14091-3736
COVER,BALANCER
16087
16087-3707
VALVE-CHECK
16087
16087-3708
VALVE-CHECK
92002
92002-3716
Vis
92004
92004-3731
STUD,10X35
92009
92009-1371
SCREW,3X6
274 ₽
92055
92055-1397
O-Ring
92062
92062-3705
NOZZLE
92066
92066-3765
PLUG
92150
92150-3729
Vis (6x18)
92151
92151-3779
Vis

Узлы для