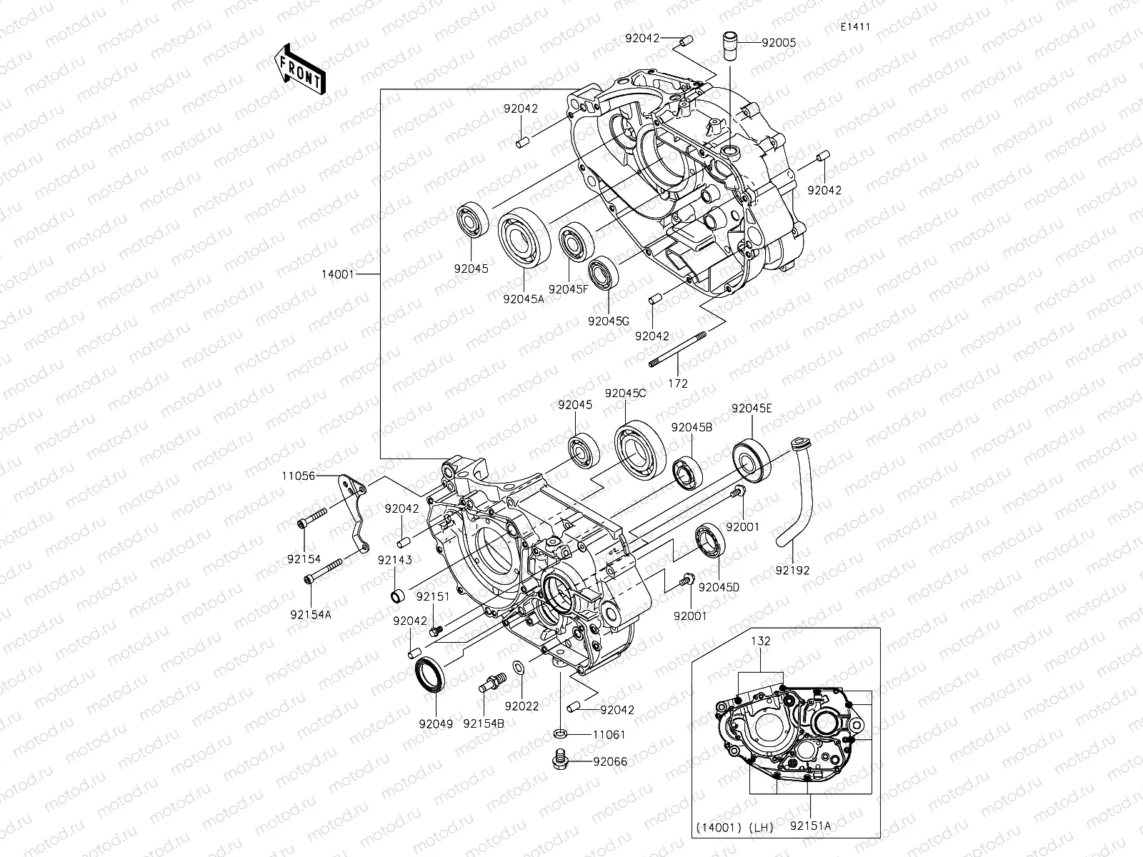
Crankcase

Crankcase
132
132BC-0670
Vis
177 ₽
172
172BA-0680
Stud bolt
144 ₽
11056
11056-7212
BRACKET,RADIATOR
1 493 ₽
11061
11061-0222
Rondelle (10,5x16x2)
289 ₽
14001
14001-0699
SET-CRANKCASE
Цена по
запросу
92001
92001-1829
BOLT,W/WASHER,6X14
241 ₽
92005
92005-0713
FITTING,BREATHER
675 ₽
92022
92022-1415
WASHER,10.2X18X1.0,SK5
274 ₽
92042
92042-007
Dowel pin
338 ₽
92045
92045-0753
Roulement
1 285 ₽
92045
92045-0754
Roulement
2 747 ₽
92045
92045-0755
Roulement
1 800 ₽
92045
92045-0757
Roulement
2 747 ₽
92045
92045-0881
Roulement
Цена по
запросу
92045
92045-0884
Roulement
Цена по
запросу
92045
92045-0885
Roulement
Цена по
запросу
92045
92045-1414
Roulement
1 975 ₽
92049
92049-1577
Joint
744 ₽
92066
92066-0143
Vis de vidange d'huile
177 ₽
92143
92143-1263
Entretoise
274 ₽
92151
92151-1233
Vis
128 ₽
92151
92151-1234
Vis (6x50)
128 ₽
92154
92154-1244
Vis (6x37)
305 ₽
92154
92154-1245
Vis (6x52)
305 ₽
92154
92154-1306
BOLT,RETURN SPRING
579 ₽
92192
92192-1904
TUBE
Цена по
запросу

Узлы для