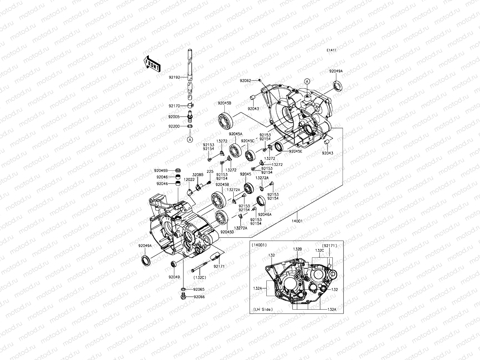
Crankcase

Crankcase
132
132BA-0650
Vis
128 ₽
132
132BA-0660
Vis
144 ₽
132
132BA-0665
Vis
144 ₽
132
132BA-0670
Vis
144 ₽
225
225AA-0510
SCREW-PAN-WSP-CROS
97 ₽
12022
12022-0006
VALVE-REED
546 ₽
13272
13272-0488
PLATE
289 ₽
13272
13272-0670
PLATE
289 ₽
14001
14001-0639
SET-CRANKCASE
73 738 ₽
32085
32085-0011
STOPPER,VALVE-REED
274 ₽
92005
92005-0747
FITTING,BREATHER
1 318 ₽
92043
92043-4009
PIN,10.1X12X14
342 ₽
92045
92045-0013
Roulement
1 992 ₽
92045
92045-0051
Roulement
2 024 ₽
92045
92045-0052
BEARING, BALL
4 299 ₽
92045
92045-1287
Roulement
1 800 ₽
92045
92045-1335
Roulement
5 013 ₽
92045
92045-1432
Roulement
2 274 ₽
92046
92046-0034
Needle bearing
1 309 ₽
92046
92046-1221
Needle bearing
2 618 ₽
92049
92049-0015
Joint
610 ₽
92049
92049-0030
Joint
1 056 ₽
92049
92049-1262
Joint
342 ₽
92062
92062-0023
NOZZLE
579 ₽
92065
92065-058
Rondelle
253 ₽
92066
92066-1437
Vis de vidange d'huile
369 ₽
92153
92154-1886
BOLT,TORX,6X8.7
177 ₽
92170
92170-1938
Collier
225 ₽
92171
92171-0594
Collier
385 ₽
92192
92192-1184
TUBE,BREATHER
1 157 ₽
92200
92200-0087
WASHER,12.5X18X1.6
89 ₽

Узлы для