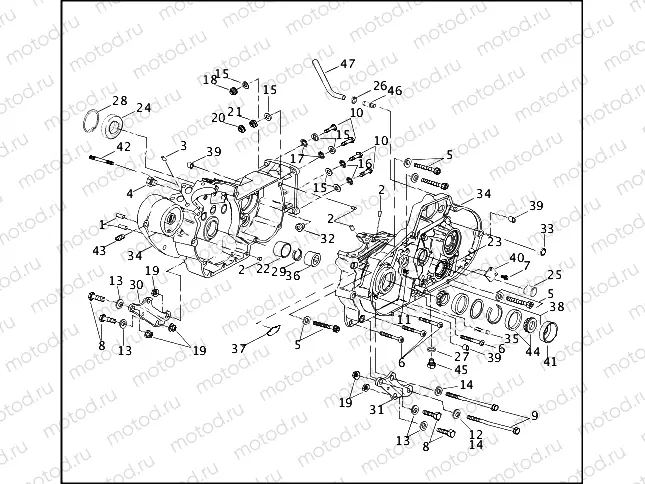
CRANKCASE (1 OF 2)

CRANKCASE (1 OF 2)
1
215
Dowel pin
2
358
Dowel pin
3
604
ROLL PIN
4
PLUG, timing
5
1028
SCREW,SEMS,HEX SCKT/LOCK
6
3696
Vis
7
4091
Vis
8
4337W
SCREW, HEX CAP
9
4413
SCREW, CAP
10
BOLT
11
STUD
12
6019
Rondelle
13
6026
Rondelle
14
6152
SPACER, ENGINE MOUNT
15
6701
Rondelle
16
7038
Rondelle (Lock)
17
7145W
Rondelle (Lock)
18
7775
NUT, FLEX
19
7780
LOCKNUT
20
LOCKNUT
21
NUT
22
8881
RACE BEARING, OUTER
23
8977
BEARING, CLOSED END
24
8996A
Roulement
25
9151
BEARING, CLOSED END
26
10080
CLAMP, DRAIN HOSE
27
11105
100 pc - O-Ring
28
11161
RETAINING RING
29
11177A
RETAINING RING
30
16210-84A
MOTOR MOUNT, RT FRONT
30
16294-99
ENGINE MOUNT, RT, LOWER
31
16212-84
MTG PLATE,MOTOR,FRT
31
16297-99
ENGINE MOUNT, LT, LOWER
32
16240-82
BUSHING
33
16573-83A
DOWEL PIN,SPLIT-HOLLOW

Узлы для