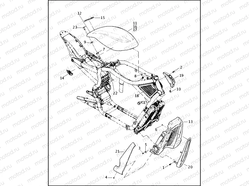
COSMETIC COVERS

COSMETIC COVERS
1
3612
Vis
2
3707M
SCREW, HEX SOCKET
3
3716M
SCREW, HEX BUTTON HEAD
4
3756MA
SCREW, TORX BUTTON HEAD CAP M6
5
6837M
WASHER, PLAIN M6
6
8130
SPEED NUT, 3/16
7
8235
RIVET, BLIND
8
11519
BUSHING, AIRBOX MOUNTING
9
11523
WASHER,EPDM
10
11524A
RUBBER MOUNT, FRT, SDCVR
11
11558
BUMPER,AIRBOX
12
15348-01A
LABEL, GENERAL WARNING
13
26788-01A
RADIATOR COVER ASSY, MOLDED
14
MEDALLION, left (gold)
14
62251-03A
MEDALLION, AIR BOX COVER, VRSC
14
MEDALLION, left (chrome)
14
62253-03A
MEDALLION, AIR BOX COVER, VRSC
15
NAMEPLATE
16
COVER, air box (used w/ 66107-07) (anodized)
16
COVER, air box (used w/ 66085-03) (anodized)
16
66154-07BEO
COVER, AIRBOX, V-ROD, PRIME
17
COVER ASSEMBLY, airbox, w/ 11558, 62252-03, 62253-03, 62254-00 & 66084-03 (use 66107-07) (chrome)
17
COVER ASSEMBLY, airbox, w/ 11558, 15348-01A, 62252-03, 62253-03, 62254-00 & 66009-07 (replaces 66085-03) (chrome)
17
COVER ASSEMBLY, airbox, w/ 11558, 15348-01A, 62250-03A, 62251-03A, 62254-03 & 66154-07BEO (gold)
18
66102-01
SIDECOVER,RH/FRT,ANODIZED
18
SIDECOVER, front, right (sterling silver)
18
SIDECOVER, front, right (prime)
19
66114-01
SIDECOVER,LH/FRT,ANODIZED
19
SIDECOVER, front, left (sterling silver)
19
SIDECOVER, front, left (prime)
20
66115-01
BEZEL, RADIATOR COVER, RH
20
66116-01
BEZEL,COVER,LH/RADIATOR/CHRM
21
66144-01
RADIATOR CVR TRIM, LH, ANODIZE
21
66145-01
RADIATOR CVR TRIM, RH, ANODIZE
22
66712-01
S-SPRING
23
66713-01
STUD ASM, BAIL HEAD SZ5

Узлы для