COOLING SYSTEM - A99BG38CB (4952505250a011) | COOLING SYSTEM - A99BG38CB (4952505250a011)

COOLING SYSTEM - A99BG38CB (4952505250a011) | COOLING SYSTEM - A99BG38CB (4952505250a011)
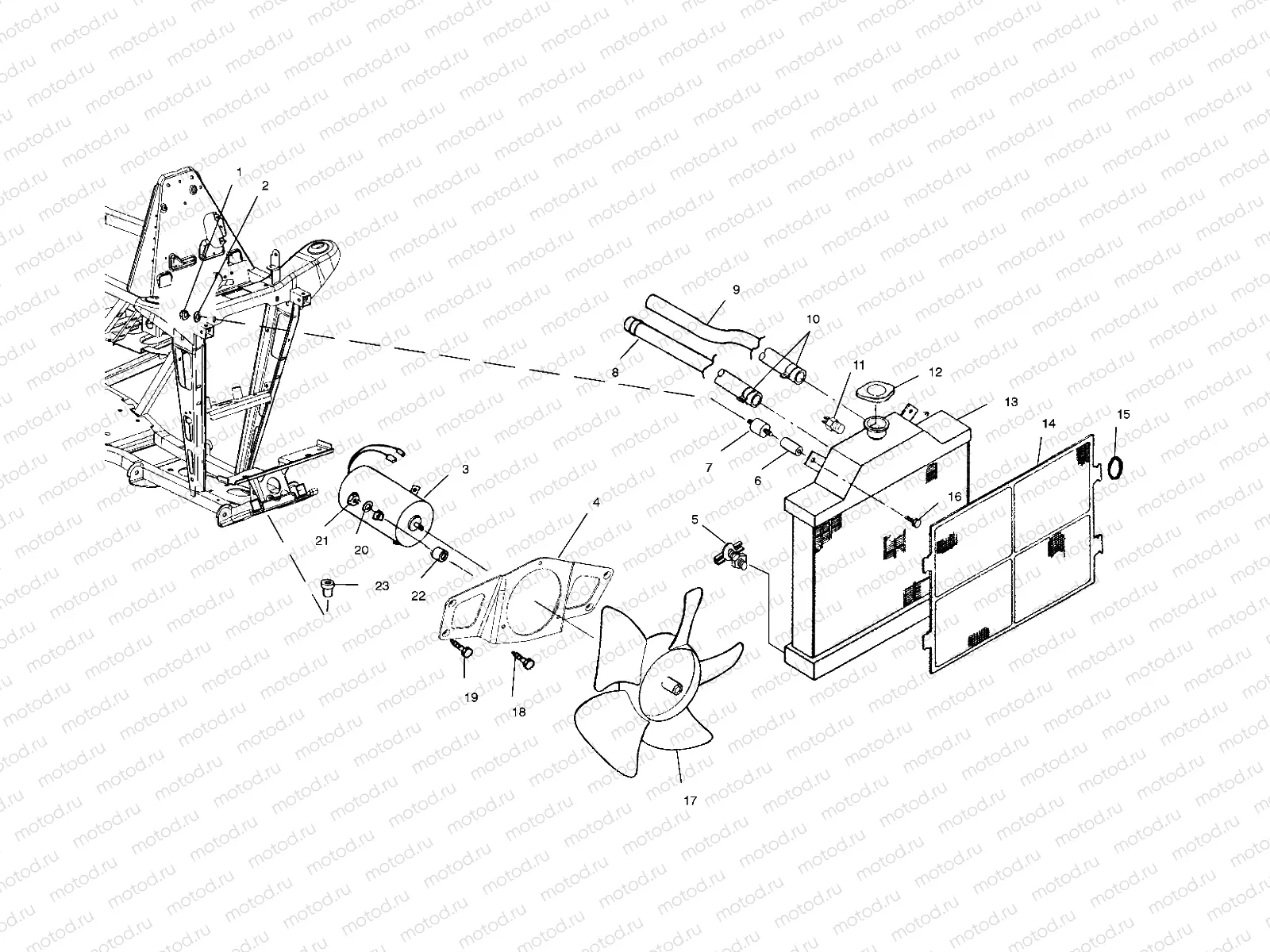
1
7542122
NUT-NYLOK
Цена по
запросу
2
7558301
WASHER FLAT
Цена по
запросу
3
4170013
MOTOR,FAN,LIQ,D-SHAFT,CONN
Цена по
запросу
4
5241355-067
BRKT.COOL.FAN,BLK
Цена по
запросу
5
7052181
VALVE DRAIN COCK
Цена по
запросу
6
5020937
Entretoise
Цена по
запросу
7
3110032
MOUNT RUBBER
Цена по
запросу
9
LR--
CALIPER, BRAKE, RH
Цена по
запросу
10
7080614
CLAMP HOSE
Цена по
запросу
11
4110226
SWITCH,THERMAL,FAN,L/C
Цена по
запросу
12
2511270
CAP PRESSURE (13 LB)
Цена по
запросу
13
1240015
RADIATOR,"U"FLOW
Цена по
запросу
14
5431610
COVER RADIATOR W/MESH
Цена по
запросу
15
5410607
O RING
Цена по
запросу
16
7515133
Vis
Цена по
запросу
17
5242550
BLADE,FAN,NYLON,8"
Цена по
запросу
18
7517475
Vis
Цена по
запросу
19
7512232
Vis
Цена по
запросу
20
7558201
WASHER FLAT
Цена по
запросу
21
7547004
NUT
Цена по
запросу
22
5432870
SPACER,FAN BRACKET
Цена по
запросу
23
5410584
BUSHING-MOUNT LOWER RADIATOR
Цена по
запросу

Узлы для