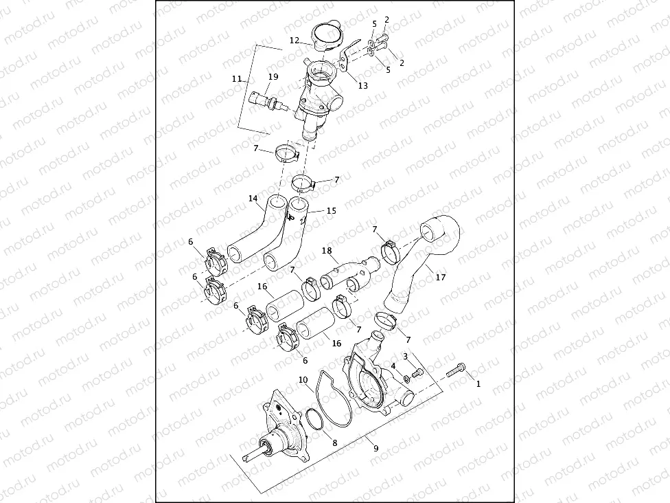
COOLANT PUMP AND THERMOSTAT

COOLANT PUMP AND THERMOSTAT
1
10201-393
KIT,SCR,HEX SCKT HD CAP
Цена по
запросу
2
10200-073
SCREW,BTN HD,HEX SCKT
Цена по
запросу
3
10200-160A
SCREW, SOCKET HEX
Цена по
запросу
4
10300-023
Rondelle
Цена по
запросу
5
10300-031A
Rondelle
Цена по
запросу
6
10800-017
HOSE CLAMP,28MM
Цена по
запросу
7
10800-018
HOSE CLAMP,28.6MM
Цена по
запросу
8
25700-203
SEAL,COOLANT PUMP
Цена по
запросу
9
26600-015B
COOLANT PUMP ASY
Цена по
запросу
10
26600-017
GASKET,COOLANT PUMP
Цена по
запросу
11
26700-002A
THERMOSTAT,W/HSG,ASSY
Цена по
запросу
12
26800-021
PRESSURE CAP,1.4 BAR
Цена по
запросу
13
26800-024
TAB,COOLANT CAP LOCK
Цена по
запросу
14
26900-050
RADIATOR HOSE,UPR CYL FRWD
Цена по
запросу
15
26900-051
RADIATOR HOSE,UPR CYL RRWD
Цена по
запросу
16
26900-052
RADIATOR HOSE,CYL LOWER STRAIG
Цена по
запросу
17
26900-053
COOLANT HOSE,PUMP OUTLET
Цена по
запросу
18
26900-055
FITTING Y,LOWER CYL
Цена по
запросу
19
32700-013A
SENSOR,TEMP,COOLANT
Цена по
запросу

Узлы для