CONTROLS - A05MH68AC/AS/AT/AU/AW (4999200299920029B01) | CONTROLS - A05MH68AC/AS/AT/AU/AW (4999200299920029B01)

CONTROLS - A05MH68AC/AS/AT/AU/AW (4999200299920029B01) | CONTROLS - A05MH68AC/AS/AT/AU/AW (4999200299920029B01)
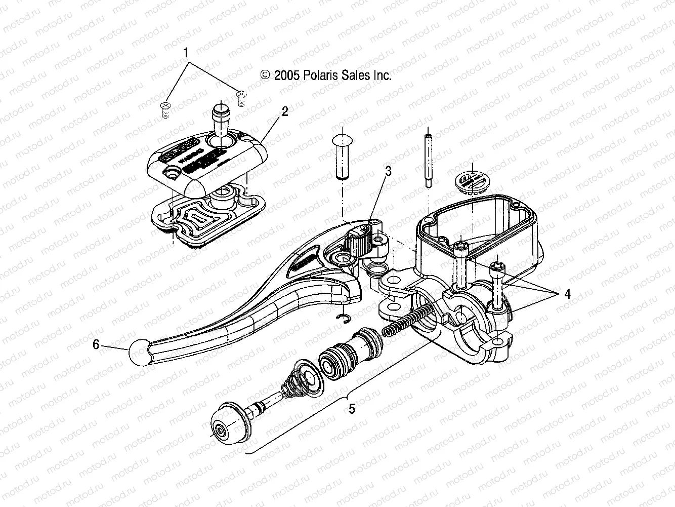
0
2010238
ASM-MASTER CYL 3/4 BANJO WW LH
Цена по
запросу
1
7517899
SCREW 8-32X5/8 TORX FLHD MS-M(
Цена по
запросу
2
2202725
KIT-M/C CAP (SCREWS NOT INCL)
Цена по
запросу
3
2201836
KIT MASTER CYLINDER PARK BRAKE
Цена по
запросу
4
2201833
KIT MASTER CYLINDER CLAMP
Цена по
запросу
5
2202410
KIT-PISTON 3/4 MSTR CYL
Цена по
запросу
6
2201835
KIT MASTER CYLINDER LEVER
Цена по
запросу

Узлы для