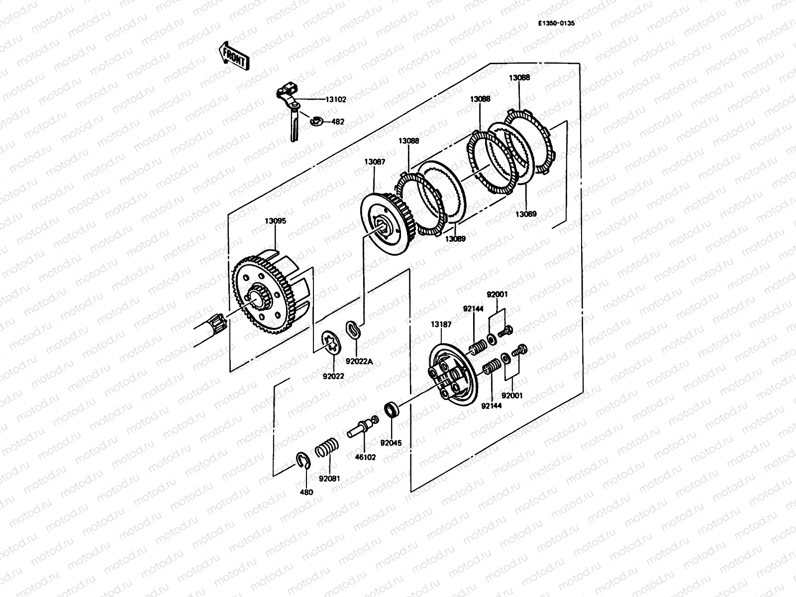
Clutch(-MX125AE013436)

Clutch(-MX125AE013436)

Узлы для