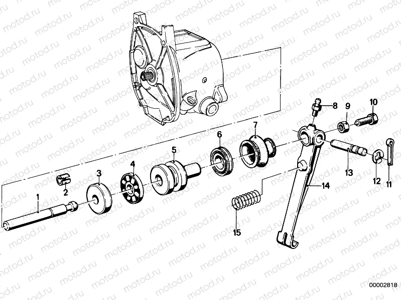
Clutch control

Clutch control
1
23211230106
ROD
2
23211230440
FELTRING
3
23211230962
Reinforcement
4
23211230961
BEARING BALL CAGE
5
23211230107
Piston
6
21521020109
Gasket ring
7
21511230109
Cup
8
23411238306
NIpple
9
07119904948
Mère
9
07119904948
Mère
10
21511241848
Vis
11
07119945182
Split pin
13
21511230090
 Pin
14
21511230104
Levier embrayage
15
21521080122
Compression spring

Узлы для