Clutch control

Clutch control
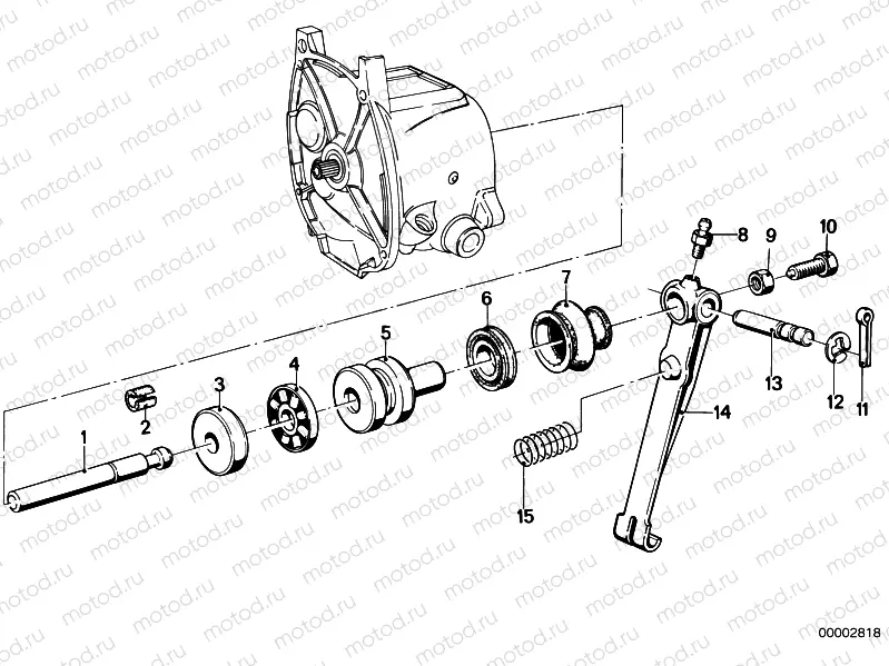
1
23211230106
ROD
Цена по
запросу
2
23211230440
FELTRING
Цена по
запросу
3
23211230962
Reinforcement
Цена по
запросу
4
23211230961
BEARING BALL CAGE
Цена по
запросу
5
23211230107
Piston
Цена по
запросу
6
21521020109
Gasket ring
Цена по
запросу
7
21511230109
Cup
Цена по
запросу
8
23411238306
NIpple
Цена по
запросу
9
07119904948
Mère
Цена по
запросу
9
07119904948
Mère
Цена по
запросу
10
21511241848
Vis
Цена по
запросу
11
07119945182
Split pin
Цена по
запросу
13
21511230090
 Pin
Цена по
запросу
14
21511230104
Levier embrayage
Цена по
запросу
15
21521080122
Compression spring
Цена по
запросу

Узлы для