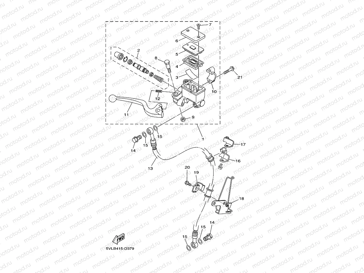
CILINDRO MAESTRO DELANTERO

CILINDRO MAESTRO DELANTERO

Узлы для