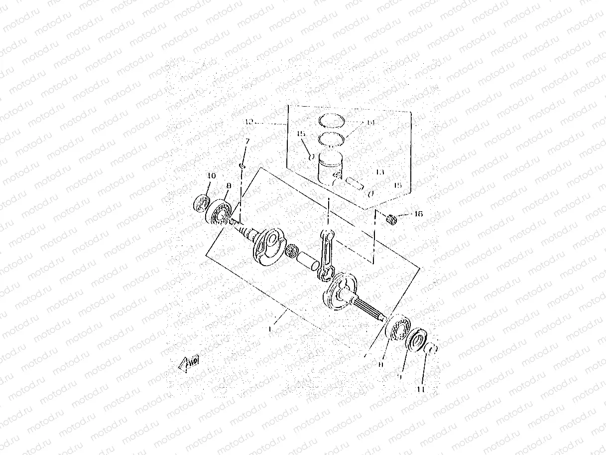
CIGUENAL & PISTON

CIGUENAL & PISTON
1
5WW-E1400-02
Vilebrequin
Цена по
запросу
7
90280-03017
Шпонка
175 ₽
8
93306-20468
Подшипник
2 686 ₽
9
93102-20371
Сальник
683 ₽
10
93101-20138
Сальник
922 ₽
11
90387-156U0
Втулка
763 ₽
12
5WW-E16A0-00
Piston (STD)
Цена по
запросу
12
4SB-E1636-00
Piston (0.5Mm O/s)
20 350 ₽
13
3VL-E1633-00
Piston pin
Цена по
запросу
14
4SB-E1603-00
Кольца поршневые стандартные
5 467 ₽
14
5PE-E1605-10
ISTON RING SET (0.50MM O/S)
Цена по
запросу
15
93450-11120
ПОЛУКОЛЬЦО МЕТАЛЛИЧЕСКОЕ
175 ₽
16
93310-210M0
Подшипник поршевого пальца
1 033 ₽

Узлы для