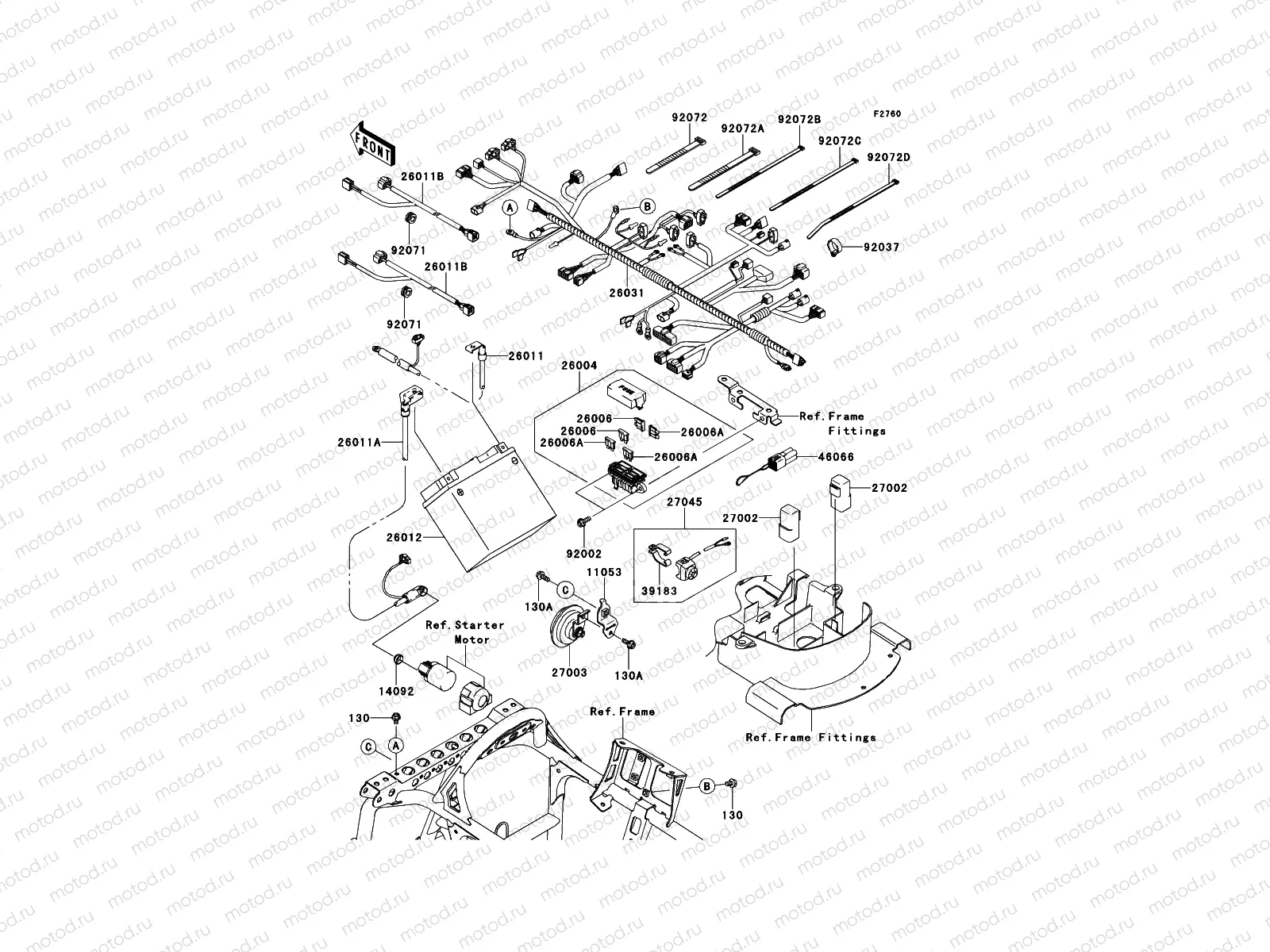
Chassis Electrical Equipment

Chassis Electrical Equipment
130
130BA-0610
5 pc - Vis
74 ₽
130
130BB-0616
5 pc - Vis
97 ₽
11053
11053-0912
BRACKET,HORN
Цена по
запросу
14092
14092-0851
COVER,MAGNETIC SW.
Цена по
запросу
26004
26004-0011
FUSE-ASSY
Цена по
запросу
26006
26006-0004
FUSE,30A
Цена по
запросу
26006
26006-0005
FUSE,10A
Цена по
запросу
26011
26011-0137
WIRE-LEAD,BATTERY(-)
Цена по
запросу
26011
26011-0138
WIRE-LEAD,BATTERY(+)
Цена по
запросу
26011
26011-0141
WIRE-LEAD,HEAD LAMP
Цена по
запросу
26012
26012-0995
BATTERY,KMX14-BS,12V 12A
Цена по
запросу
26031
26031-0928
HARNESS,MAIN
Цена по
запросу
27002
27002-1088
RELAY-ASSY
3 839 ₽
27003
27003-1276
HORN
Цена по
запросу
27045
27045-0003
SWITCH-ASSY,HORN
Цена по
запросу
39183
39183-0002
BAND-ASSY,ENGINE STOP SW
Цена по
запросу
46066
46066-0001
CONNECTOR-ASSY,RESET
Цена по
запросу
92002
92154-1893
Vis
274 ₽
92037
92037-1827
Collier
466 ₽
92071
92071-1128
Damper
Цена по
запросу
92072
92072-030
BAND,SHORT
289 ₽
92072
92072-031
BAND,MIDDLE
289 ₽
92072
92072-056
BAND,RUBBER
289 ₽
92072
92072-1239
BAND,L=188
Цена по
запросу
92072
92072-3509
BAND,RUBBER
164 ₽

Узлы для