CHASSIS | CHASSIS, WINCH - G22GMK99AR/BR (C0705683-1)

CHASSIS | CHASSIS, WINCH - G22GMK99AR/BR (C0705683-1)
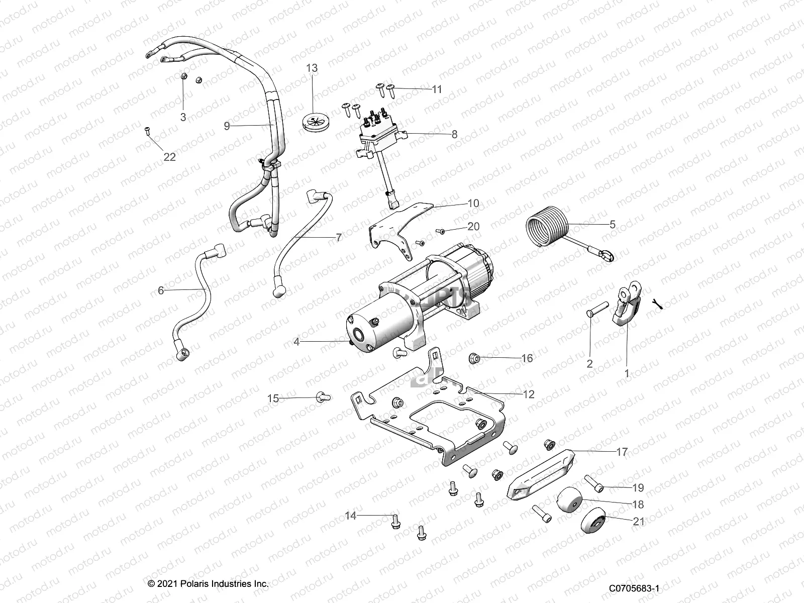
1
5910706
HOOK-LATCH WINCH ULT LRG
Цена по
запросу
2
LR--
CALIPER, BRAKE, RH
Цена по
запросу
3
7547270
NUT-HXFLGHD M6 SERRATED
Цена по
запросу
4
2206067
K-CONTROL FRLD HWSE
Цена по
запросу
4
2636470
WINCH-POLARIS 4.5 BTMSPL 45DEG
Цена по
запросу
4
2638491
ASM-WINCH 4.5 PROD ASTP XOVR
Цена по
запросу
5
2879187
KIT-SYNTH WINCH ROPE 50 FT
Цена по
запросу
6
4013468-255WC
ABLE-WINCH YELLOW 6 GA 255MM
Цена по
запросу
7
4013469-270WC
ABLE-WINCH BLUE 270MM W/CONV
Цена по
запросу
8
4015600
CONTACTOR-INT UVRSL
Цена по
запросу
9
4018231
CABLE ASM-CONTACTOR-PULSE XOVR
Цена по
запросу
10
5263587
BRKT-CONTACTOR MOUNT XOVR
Цена по
запросу
11
7519650
SCR-TXTH-M6X1.0X25 RIE
Цена по
запросу
12
5263364-458
BRKT-WINCHMOUNT GNRL BLK
Цена по
запросу
13
5414440
GROMMET-ELECTRICAL CAB
Цена по
запросу
14
7519133
SCR-HXFL-M8X1.25X20 8.8 ZOD P3
Цена по
запросу
15
7519372
SCR-RHCAR-M10X1.5X25 8.8 ZOD
Цена по
запросу
16
7547423
NUT-M10X1.5 HFN NYLOC ZOD
Цена по
запросу
17
2637781
ASM-FAIRLEAD HWS MACH ULT WIDE
Цена по
запросу
18
5417894
BUMPER-JOUNCE WINCH MTU
Цена по
запросу
19
7519959
SCR-SH-M10X1.5X35 8.8 ZPB
Цена по
запросу
20
7518238
SCR-10X5/8-HI/LO PN-T25 TRX-M
Цена по
запросу
21
5415787
STOP-MAGNET BUMPER RUBBER
Цена по
запросу
22
7512024
Vis
Цена по
запросу

Узлы для