CHASSIS | CHASSIS, WINCH - A15SEB57CA/CJ/SEC57CJ/CA (49ATVWINCH15QUAD)

CHASSIS | CHASSIS, WINCH - A15SEB57CA/CJ/SEC57CJ/CA (49ATVWINCH15QUAD)
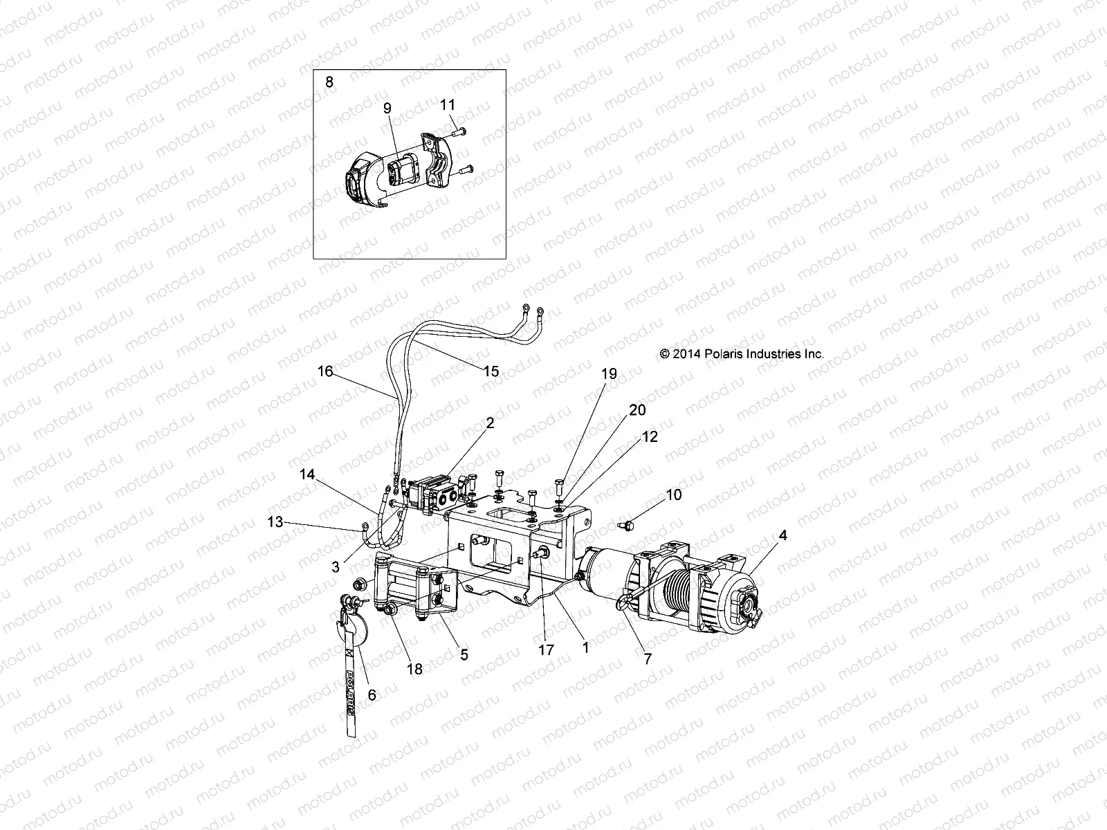
1
LR--
CALIPER, BRAKE, RH
Цена по
запросу
2
4015095
CONTACTOR-WINCH POL LIF CAP
Цена по
запросу
3
7519342
SCR-TFHFL-M6X1.0X25 ZOD
Цена по
запросу
4
2204631
WINCH-POLARIS 2.5
Цена по
запросу
5
2411848
ROLLER-FAIRLEAD WINCH 25/3500
Цена по
запросу
6
2411836
HD HOOK & LATCH
Цена по
запросу
7
2878890
HD 25-3500 CABLE
Цена по
запросу
8
2207175
K-WINCH SWITCH HBR EU ATV
Цена по
запросу
9
2207175
K-WINCH SWITCH HBR EU ATV
Цена по
запросу
10
7518514
BOLT-M8X1.25X25 HXFLG-OLIVE D
Цена по
запросу
11
7518238
SCR-10X5/8-HI/LO PN-T25 TRX-M
Цена по
запросу
12
7558402
WASHER FLAT
Цена по
запросу
13
4013468-300
CABLE-WINCH YELLOW 6 GA 300MM
Цена по
запросу
14
4013469-300
CABLE-WINCH BLUE 6 GA 300MM
Цена по
запросу
15
4013470-610
CABLE-POWER WINCH BLK #6 610MM
Цена по
запросу
16
4013471-610
CABLE-POWER WINCH RED #6 610MM
Цена по
запросу
17
7519372
SCR-RHCAR-M10X1.5X25 8.8 ZOD
Цена по
запросу
18
7547423
NUT-M10X1.5 HFN NYLOC ZOD
Цена по
запросу
19
7518097
SCR-HEXHD M8X20 ZINC 0600088
Цена по
запросу
20
7556111
Rondelle (Lock)
Цена по
запросу

Узлы для