CHASSIS | CHASSIS, MAIN FRAME - Z23GAD92A/92B (C702974)

CHASSIS | CHASSIS, MAIN FRAME - Z23GAD92A/92B (C702974)
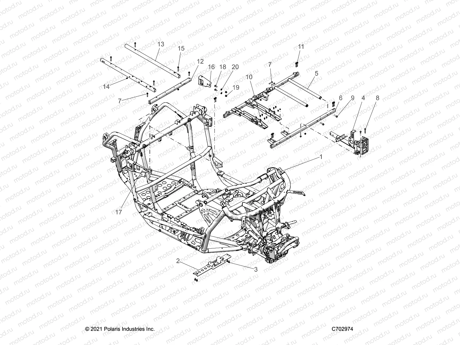
1
1026099-458
WELD-MAINFRAME ISO 74 BLK
Цена по
запросу
2
1026323-329
WELD-MOUNT PROPSHAFT ECOAT
Цена по
запросу
3
7518450
BOLT-M8X20-1.25 HX HD FLG
Цена по
запросу
4
1026072-329
WELD-MOUNT SHIFT/SCM ECOAT
Цена по
запросу
5
1024740-329
WELD-SEAT BASE ECOAT
Цена по
запросу
6
1024840-329
WELD-SEAT BASE FRONT ECOAT
Цена по
запросу
7
7516732
Vis
Цена по
запросу
8
7516733
Vis
Цена по
запросу
9
7518687
SCR-M10X1.50X50 HX/FL-Y
Цена по
запросу
10
7519236
SCR-HXFL-M6X1.0X16 8.8 ZYL NYL
Цена по
запросу
11
7519245
SCR-HXFL-M8X1.25X50 DP ZODP30
Цена по
запросу
12
5269415-329
BRKT-CLOSE OFF SUPPORT ECOAT
Цена по
запросу
13
1027997
WELD-MOUNT BOX
Цена по
запросу
13
1023962
WELD-MOUNT BOX
Цена по
запросу
14
7547790
NUT-RIVNUT HEX M6X1.00
Цена по
запросу
15
7517281
Vis
Цена по
запросу
16
5271054-458
BRKT-MOUNT,HINGE,UPR,LH,BLK
Цена по
запросу
17
5271055-458
BRKT-MOUNT,HINGE,UPR,RH,BLK
Цена по
запросу
18
7519071
SCR-M10X1.5X25 8.8 HXFL ZOD
Цена по
запросу
19
7547423
NUT-M10X1.5 HFN NYLOC ZOD
Цена по
запросу
20
7556153
WASHER 3/8 FW
Цена по
запросу

Узлы для