CHASSIS | CHASSIS, MAIN FRAME - R16RTE87F1/U87FK (700567)

CHASSIS | CHASSIS, MAIN FRAME - R16RTE87F1/U87FK (700567)
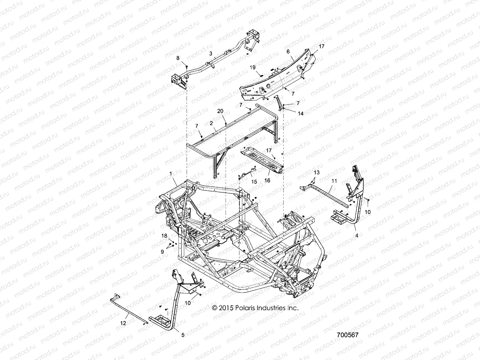
1
1020581-458
WELD-MAIN FRAME BLK
Цена по
запросу
2
1022102-329
WELD-CAB/SEAT BASE EU BLK
Цена по
запросу
2
1019513-329
WELD-CAB/SEAT BASE BLK
Цена по
запросу
3
1020588-329
WELD-CAB SUPPORT REAR BLK
Цена по
запросу
4
1020577-458
WELD-FLOOR SUPPORT LH BLK
Цена по
запросу
5
1020578-458
WELD-FLOOR SUPPORT RH BLK
Цена по
запросу
6
5450344-070
PLATE-WINDSHIELD MOUNT LWR BLK
Цена по
запросу
7
7518555
BOLT-M8X1.25X20 HXFLG TAP/R-OD
Цена по
запросу
8
7519059
SCR-HXFL-M10X1.25X30 8.8 ZOD
Цена по
запросу
9
7547333
NUT-M10X1.25 FLG NYLOC-OLIVE D
Цена по
запросу
10
7519363
SCR-HXFL-M10X1.25X80 8.8 ZOD
Цена по
запросу
11
1019087-329
WELD-ROCKER LH BLK
Цена по
запросу
12
1019088-329
WELD-ROCKER RH BLK
Цена по
запросу
13
7518529
SCR-M6X1.0X20 HXHD FLG TDFM BL
Цена по
запросу
14
5260353
BRKT-PLATE CTR PIN MT TTN
Цена по
запросу
15
5257333-329
BRKT-ROUTING TRAY BLK
Цена по
запросу
16
5450841-070
TRAY-ROUTING BLK
Цена по
запросу
17
7661855
RIVET-TUFLOK .315-.325X.787 (5
Цена по
запросу
18
7556153
WASHER 3/8 FW
Цена по
запросу
19
7081305
CLIP-U SPEED NUT
Цена по
запросу
20
7519156
SCR-HXFL M8X1.25X25 ZOD TAP/R
Цена по
запросу

Узлы для