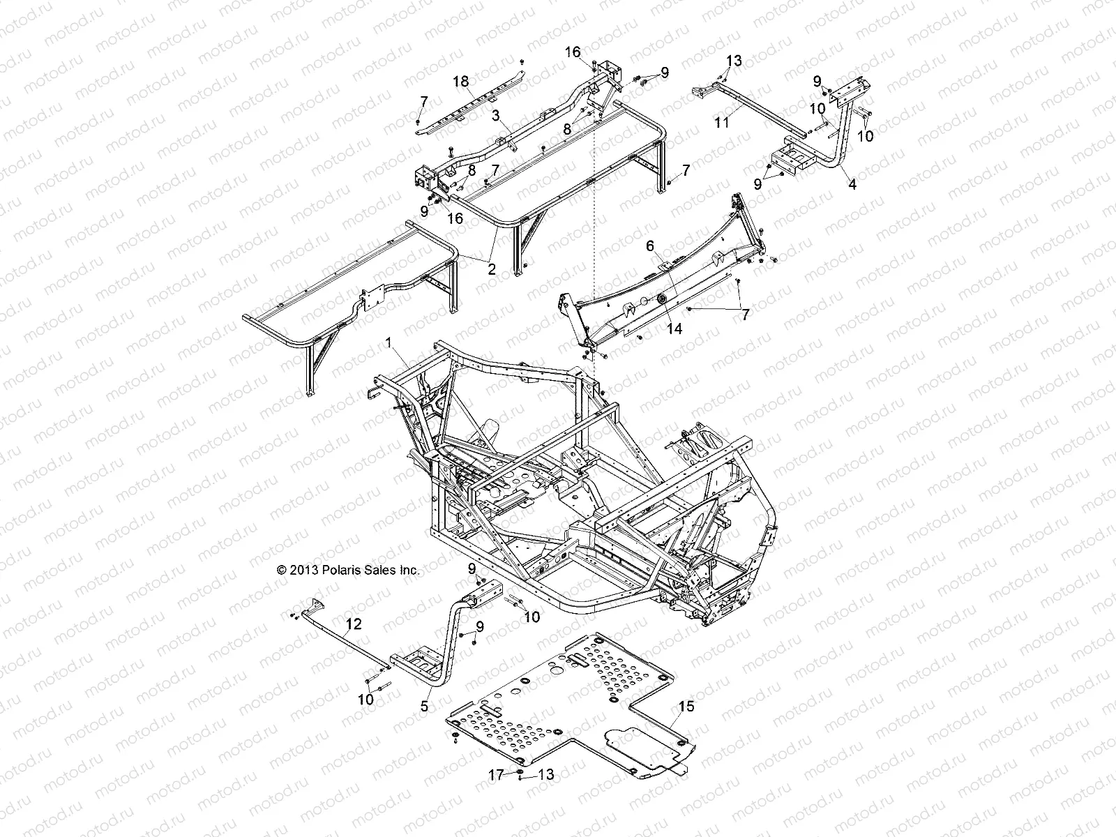
CHASSIS | CHASSIS, MAIN FRAME - D131D9JDJ/1L9JDJ/2M9JDJ (49BRUTUSFRAME13)

CHASSIS | CHASSIS, MAIN FRAME - D131D9JDJ/1L9JDJ/2M9JDJ (49BRUTUSFRAME13)
1
1018080-458
WELD-MAIN FRAME M.BLK
Цена по
запросу
2
1019513-329
WELD-CAB/SEAT BASE BLK
Цена по
запросу
2
1018395-458
WELD-CAB/SEAT BASE M.BLK
Цена по
запросу
3
1018295-329
WELD-CAB SUPPORT REAR BLK
Цена по
запросу
4
1018089-329
WELD-FLOOR SUPPORT LH BLK
Цена по
запросу
5
1018090-329
WELD-FLOOR SUPPORT RH BLK
Цена по
запросу
6
1018086-458
WELD-WINDSHIELD SUPPORT M.BLK
Цена по
запросу
7
7518555
BOLT-M8X1.25X20 HXFLG TAP/R-OD
Цена по
запросу
8
7519059
SCR-HXFL-M10X1.25X30 8.8 ZOD
Цена по
запросу
9
7547333
NUT-M10X1.25 FLG NYLOC-OLIVE D
Цена по
запросу
10
7519363
SCR-HXFL-M10X1.25X80 8.8 ZOD
Цена по
запросу
11
1019087-329
WELD-ROCKER LH BLK
Цена по
запросу
12
1019088-329
WELD-ROCKER RH BLK
Цена по
запросу
13
7518529
SCR-M6X1.0X20 HXHD FLG TDFM BL
Цена по
запросу
14
5414440
GROMMET-ELECTRICAL CAB
Цена по
запросу
15
5450261-070
PLATE-SKID ROUTERED BLK
Цена по
запросу
15
5438878-070
PLATE-SKID BLK
Цена по
запросу
16
7556153
WASHER 3/8 FW
Цена по
запросу
17
7556065
WASHER SKID PLATE
Цена по
запросу
18
5255179-329
BRKT-BRACE REAR BLK
Цена по
запросу

Узлы для