CHASSIS | CHASSIS, MAIN FRAME AND SKID PLATES - Z18VDE92LS (700442)

CHASSIS | CHASSIS, MAIN FRAME AND SKID PLATES - Z18VDE92LS (700442)
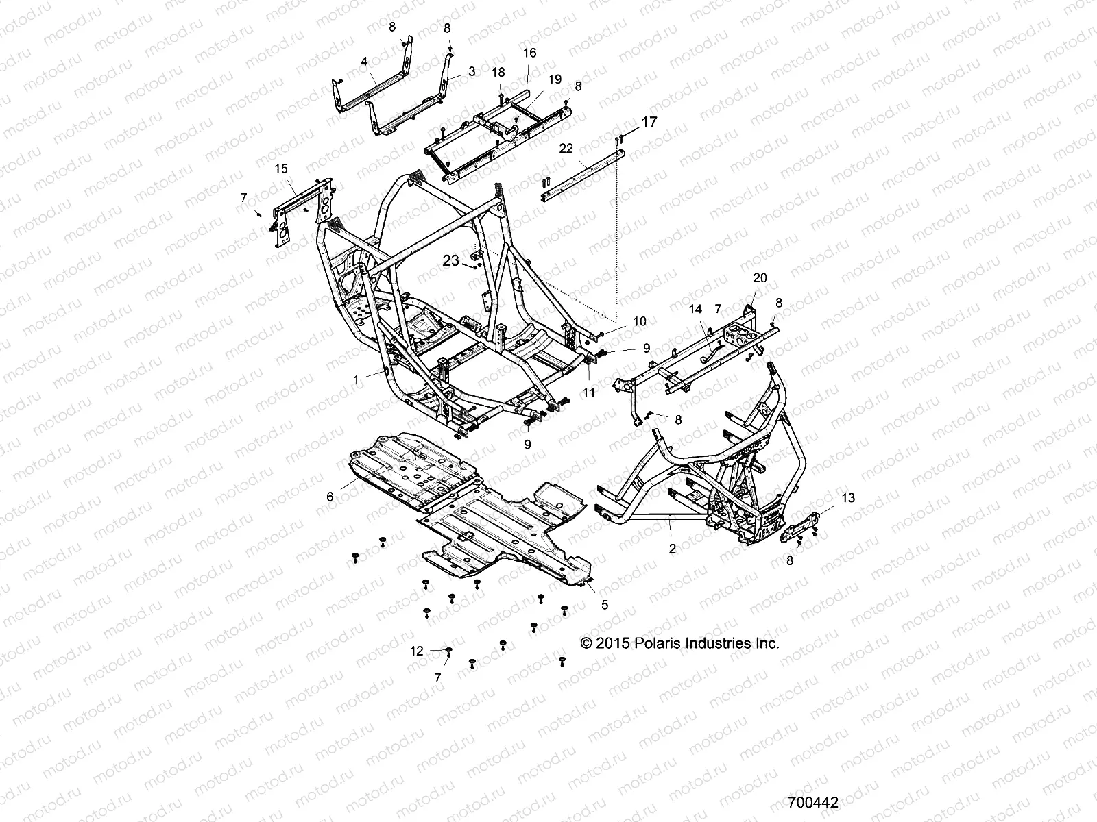
1
1022402-458
WELD-MAIN FRAME BLK
Цена по
запросу
2
1022684-458
WELD-MAINFRAME FRT SWAY MBLK
Цена по
запросу
3
5260947-329
BRKT-BOX STRAP BLK
Цена по
запросу
4
5260948-329
BRKT-BOX SUPPORT REAR BLK
Цена по
запросу
5
5456432-070
PLATE-SKID BLK
Цена по
запросу
6
5452063-070
PLATE-SKID REAR BLK
Цена по
запросу
7
7518529
SCR-M6X1.0X20 HXHD FLG TDFM BL
Цена по
запросу
8
7518555
BOLT-M8X1.25X20 HXFLG TAP/R-OD
Цена по
запросу
9
7519285
SCR-HXFL-M10X1.25X55 10.9 ZOD
Цена по
запросу
10
7519332
SCR-HXFL-M10X1.25X40 8.8 ZOD
Цена по
запросу
11
7547333
NUT-M10X1.25 FLG NYLOC-OLIVE D
Цена по
запросу
12
7556065
WASHER SKID PLATE
Цена по
запросу
13
5259449-458
BRKT-SUSP MNT FRT M.BLK
Цена по
запросу
14
5257304-329
BRKT-DIN MNT BLK
Цена по
запросу
15
1019529-458
WELD-SUPPORT REAR BLK
Цена по
запросу
16
1020571-329
ASM-SEAT BASE BLK
Цена по
запросу
17
7516732
Vis
Цена по
запросу
18
7518474
BOLT-M10X1.5X55 HX HD FLG
Цена по
запросу
19
7519650
SCR-TXTH-M6X1.0X25 RIE
Цена по
запросу
20
1020984-329
WELD-DASH E-COAT BLK
Цена по
запросу
22
5260539-329
BRKT-CLOSE OFF SUPPORT BLK
Цена по
запросу
23
7547332
NUT-M8X1.25 FLG NYLOC-OLIVE D
Цена по
запросу

Узлы для