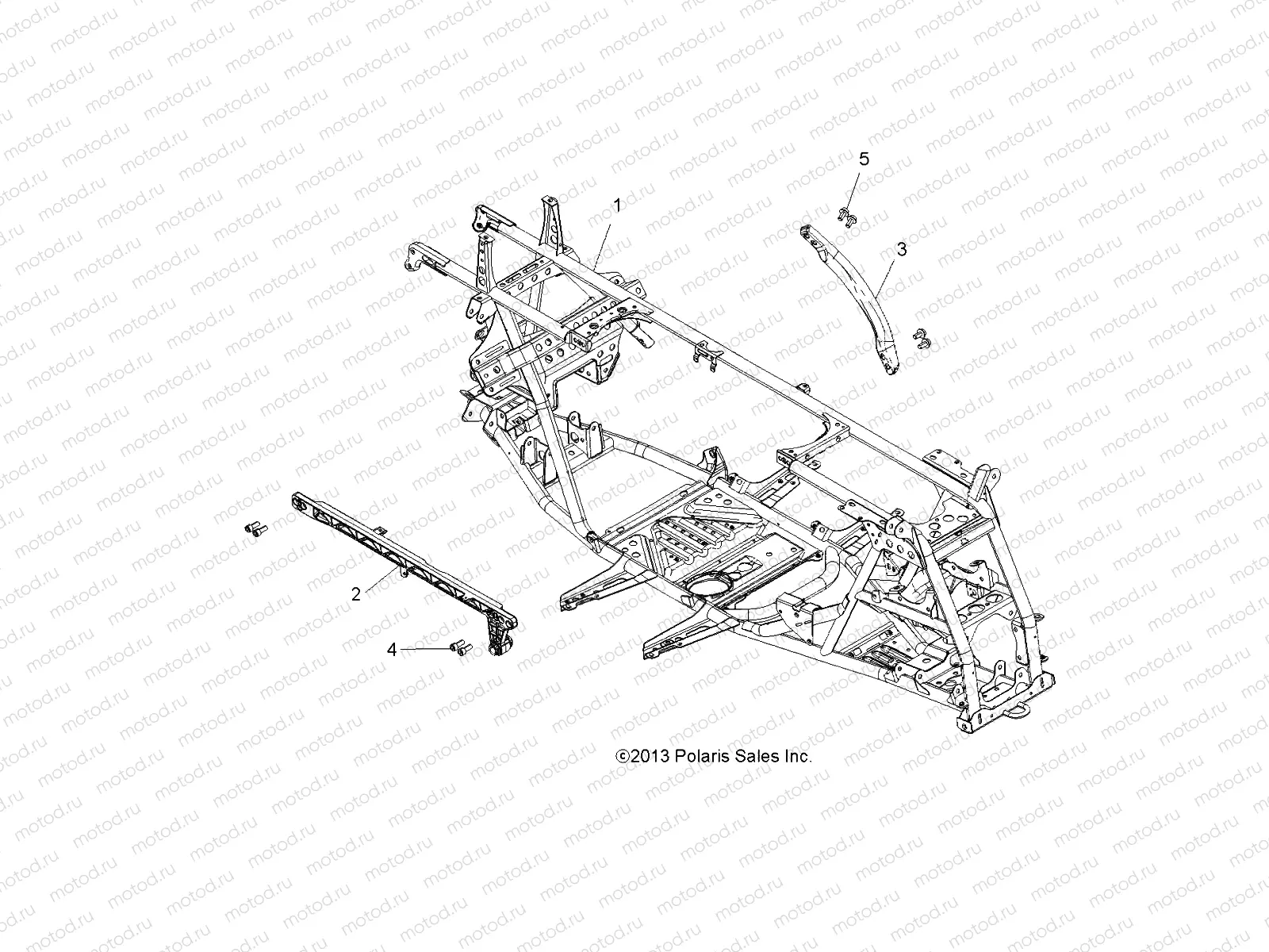
CHASSIS | CHASSIS, MAIN FRAME - A14ZN5EAB/C/M/S (49ATVFRAME14SP550)

CHASSIS | CHASSIS, MAIN FRAME - A14ZN5EAB/C/M/S (49ATVFRAME14SP550)
1
1019770-067
WELD-MAIN FRAME BLK
Цена по
запросу
2
5135762-067
SUPPORT-FRAME UPPER RH MACH
Цена по
запросу
3
5632013-067
SUPPORT-FRAME LOWER
Цена по
запросу
4
7517358
Vis
Цена по
запросу
5
7518700
BOLT-M10X1.5X20 HXHDFLG
Цена по
запросу

Узлы для