CHASSIS | CHASSIS, FRAME - R21CDA57A1 (700740)

CHASSIS | CHASSIS, FRAME - R21CDA57A1 (700740)
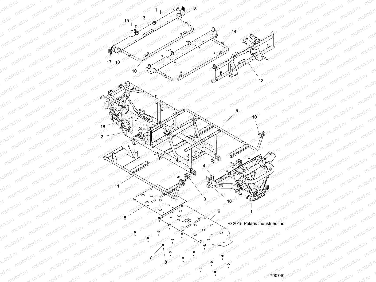
1
1022472-458
WELD-MAIN FRAME FRT CREW M.BLK
Цена по
запросу
2
2208505
K-MAIN FRAME REAR ST-6 MBLK
Цена по
запросу
3
7518563
BOLT-M10X1.25X60 HXFLG-OLIVE D
Цена по
запросу
4
7547333
NUT-M10X1.25 FLG NYLOC-OLIVE D
Цена по
запросу
5
5450137
PLATE-SKID REAR
Цена по
запросу
6
5457475-070
PLATE-SKID
Цена по
запросу
6
5457475-070
PLATE-SKID
Цена по
запросу
7
7556065
WASHER SKID PLATE
Цена по
запросу
8
7517386
Vis
Цена по
запросу
9
1016864-329
WELD-FLOOR SUPT FRONT LH BLK
Цена по
запросу
10
7518555
BOLT-M8X1.25X20 HXFLG TAP/R-OD
Цена по
запросу
10
7519156
SCR-HXFL M8X1.25X25 ZOD TAP/R
Цена по
запросу
11
1016865-329
WELD-FLOOR SUPT FRONT RH BLK
Цена по
запросу
12
1022409-329
WELD-CAB SUPPORT 3P FS BLK
Цена по
запросу
13
1022210-458
WELD-SEAT BASE 570 FS M.BLK
Цена по
запросу
14
1019937-458
WELD-CAB/SEAT BASE M.BLK
Цена по
запросу
15
7517281
Vis
Цена по
запросу
16
7547332
NUT-M8X1.25 FLG NYLOC-OLIVE D
Цена по
запросу
17
5451017
PANEL-INTAKE
Цена по
запросу
18
7519091
SCR-#10X1/2-HI/LO-PN-T25 TRX-M
Цена по
запросу

Узлы для