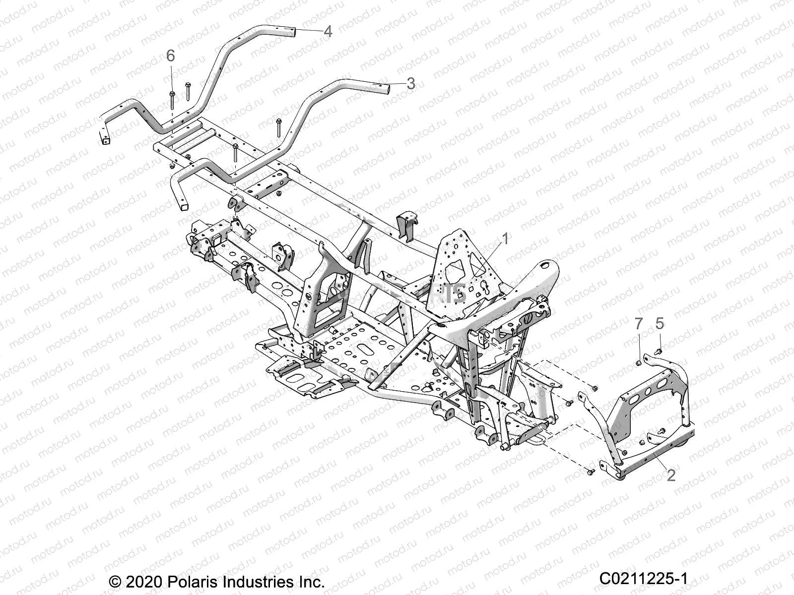
CHASSIS | CHASSIS, FRAME - A21SEE57A1/A3/A5/A7/A9/B1/B3/B5/B7/B9 (C0211225-1)

CHASSIS | CHASSIS, FRAME  - A21SEE57A1/A3/A5/A7/A9/B1/B3/B5/B7/B9 (C0211225-1)
1
1025219-067
WELD-FRAME MAIN STRUT BLK
Цена по
запросу
2
1025873-067
WELD-BUMPER SUPPORT FRONT BLK
Цена по
запросу
3
1026731-067
WELD-SUPPORT FRNT RR RACK BLK
Цена по
запросу
4
1026866-067
ASM-WELD-SPRT RR REAR RACK BLK
Цена по
запросу
5
7518450
BOLT-M8X20-1.25 HX HD FLG
Цена по
запросу
6
7519971
SCR-HXFL-M8X1.25X65 8.8 ZOD
Цена по
запросу
7
7547332
NUT-M8X1.25 FLG NYLOC-OLIVE D
Цена по
запросу

Узлы для