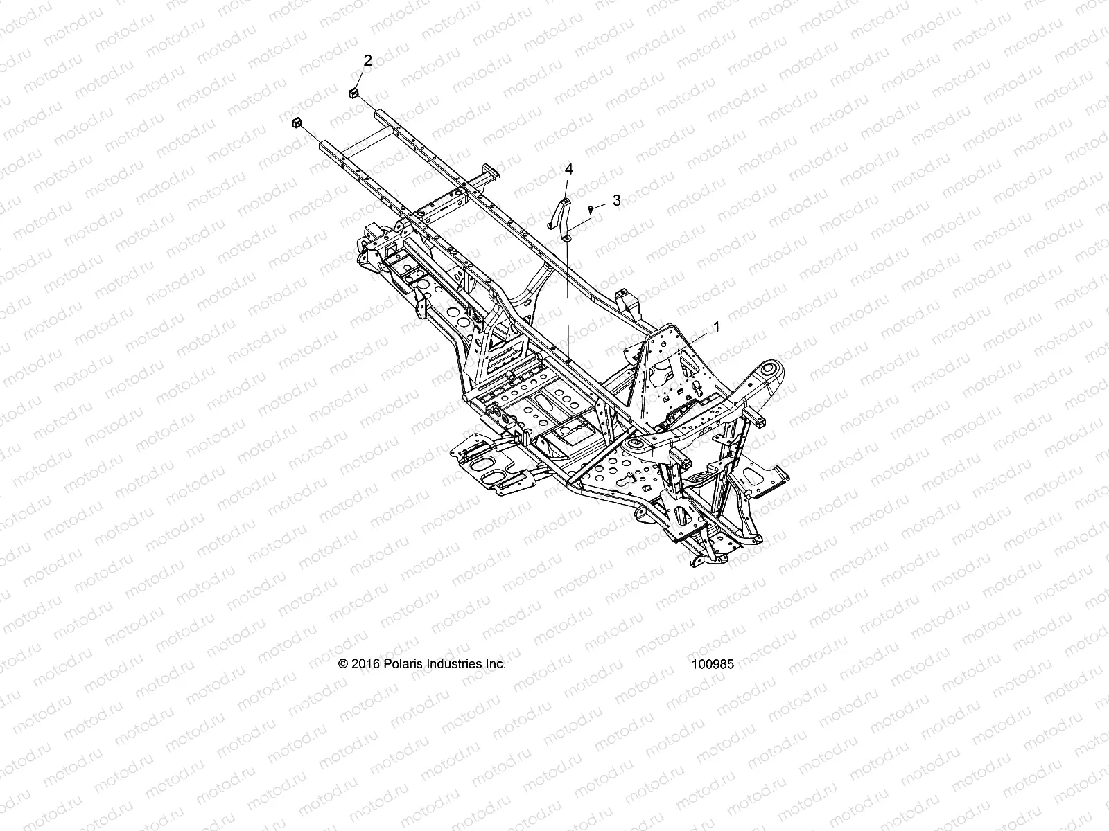
CHASSIS | CHASSIS, FRAME - A18SWE57F1 (100985)

CHASSIS | CHASSIS, FRAME - A18SWE57F1 (100985)
1
1022563-458
WELD-MAIN FRAME X2/UTE M.BLK
Цена по
запросу
2
5451485
PLUG-TUBE 1X1
Цена по
запросу
3
7517386
Vis
Цена по
запросу
4
5261866
BRKT-SUPPORT FUEL TANK RH
Цена по
запросу

Узлы для