CHASSIS | CHASSIS, CAB FRAME - Z19VBE99F2/S99C2/CM (701136)

CHASSIS | CHASSIS, CAB FRAME - Z19VBE99F2/S99C2/CM (701136)
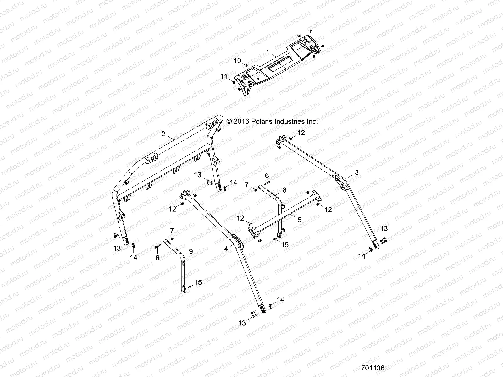
1
5450657-070
PANEL-VISOR TRIM BLK
Цена по
запросу
2
1022885-458
WELD-ROPS REAR TR BLK
Цена по
запросу
3
1019132-458
WELD-ROPS LH BLK
Цена по
запросу
4
1019133-458
WELD-ROPS RH BLK
Цена по
запросу
5
1020755-458
WELD-ROPS FRONT CROSS BLK
Цена по
запросу
6
7520094
SCR-HXFL-M8X1.25X55 8.8 ZB
Цена по
запросу
7
7547454
NUT-HXFL-M8X1.25 8 ZB3 NYL
Цена по
запросу
8
1020237-458
WELD-BOLSTER LH M.BLK
Цена по
запросу
9
1020238-458
WELD-BOLSTER RH M.BLK
Цена по
запросу
10
7519650
SCR-TXTH-M6X1.0X25 RIE
Цена по
запросу
11
7547674
NUT-M6-1.0 U-TYPE (2.5-3.8)(10
Цена по
запросу
12
7519905
SCR-HXFL-M10X1.5X20 10.9 RIE P
Цена по
запросу
13
7520355
SCR-HXFL-M10X1.5X60 10.9 ZOD
Цена по
запросу
14
7547746
NUT-HEX-M10X1.5 10 ZB3 NYL
Цена по
запросу
15
7518450
BOLT-M8X20-1.25 HX HD FLG
Цена по
запросу

Узлы для