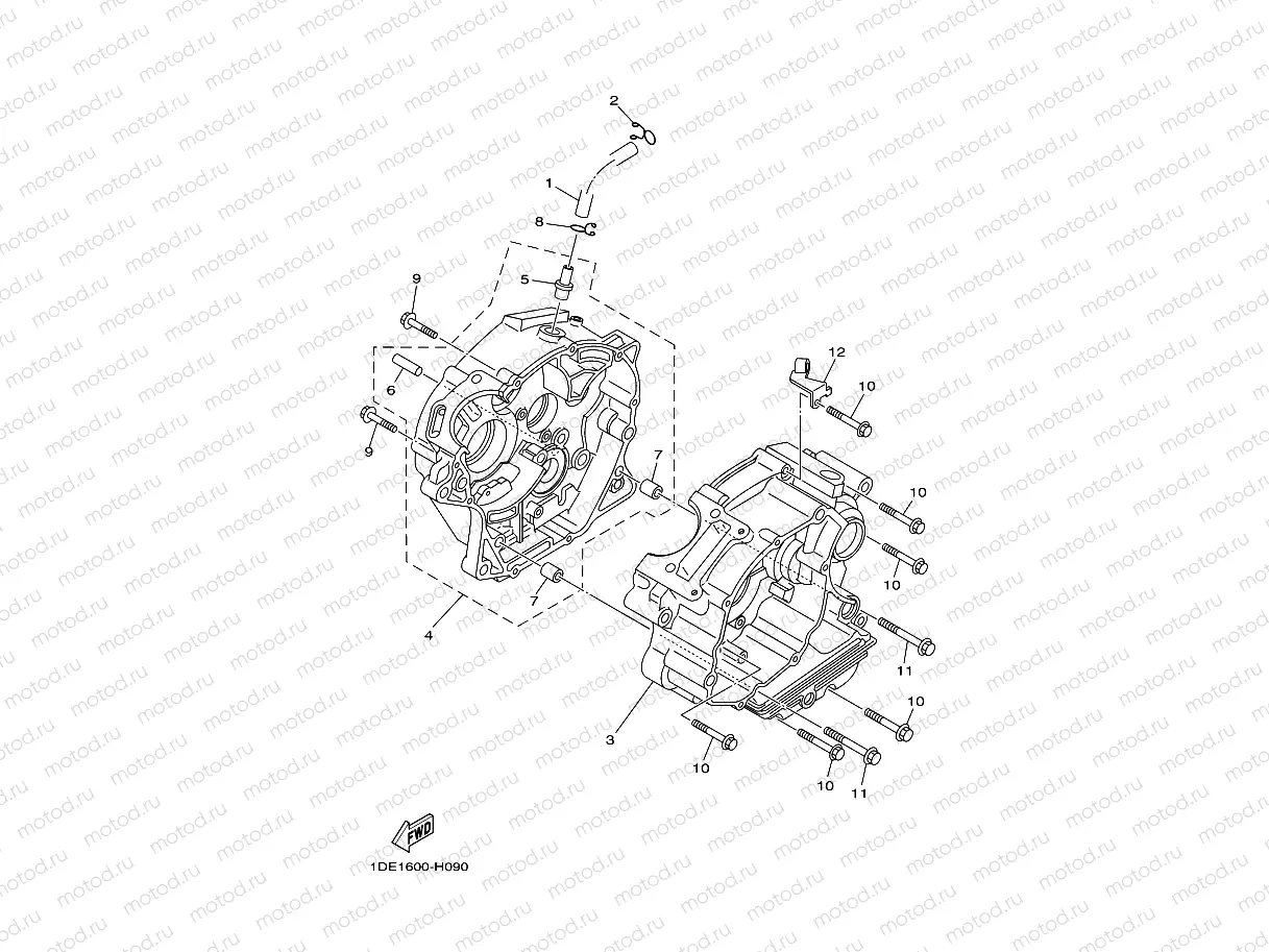
CARTER

CARTER
1
5KA-E1166-00
PIPE, BREATHER 1
Цена по
запросу
2
90467-13M13
Хомут
191 ₽
3
5KA-E5111-02
CRANKCASE 1
Цена по
запросу
4
5KA-WE512-31
CRANKCASE 2
Цена по
запросу
5
5KA-E1167-00
.PIPE, BREATHER 2
Цена по
запросу
6
93608-30839
Палец
207 ₽
7
99530-10014
Pin
Цена по
запросу
8
90467-13M13
Хомут
191 ₽
9
90105-06858
BOLT, FLANGE
Цена по
запросу
10
90105-06856
BOLT, FLANGE
Цена по
запросу
11
90105-06855
SCREW
156 ₽
12
4LS-E5441-00
HOLDER, CLUTCH CABLE
Цена по
запросу

Узлы для