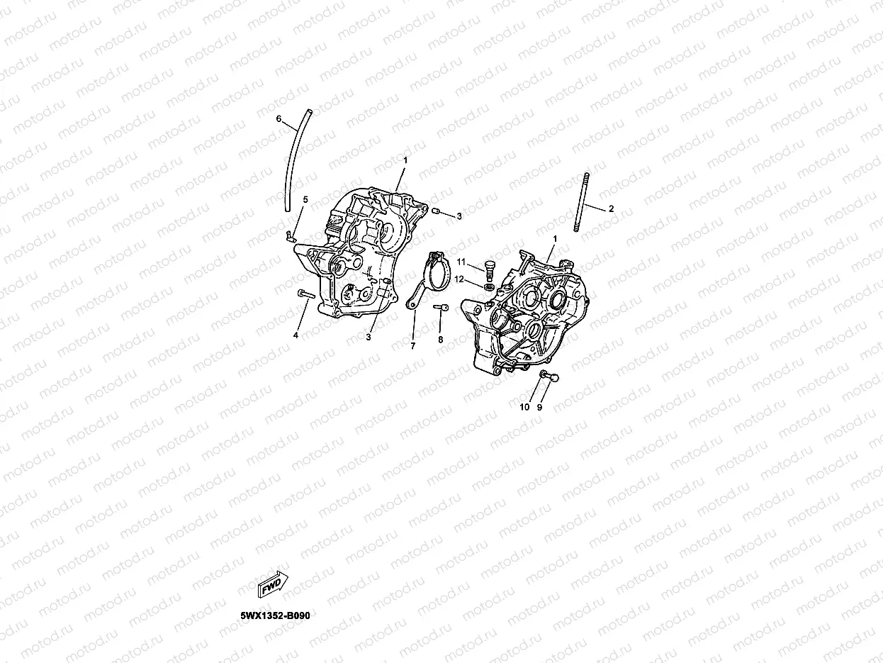
CARTER

CARTER
1
5WX-E5150-01
CRANKCASE ASSY
2
90116-07X03
Stud bolt
3
1TK-E5181-00
Dowel pin
4
90110-06X76
Vis
5
3FN-E5371-00
BREATHER
6
90445-05773
Hose
250 ₽/шт
7
4YV-E5128-00
HOLDER
8
9131N-05012
Vis
9
90101-08873
Vis
10
90201-08X01
Rondelle
11
90101-12874
Vis
12
90430-12823
Gasket

Узлы для