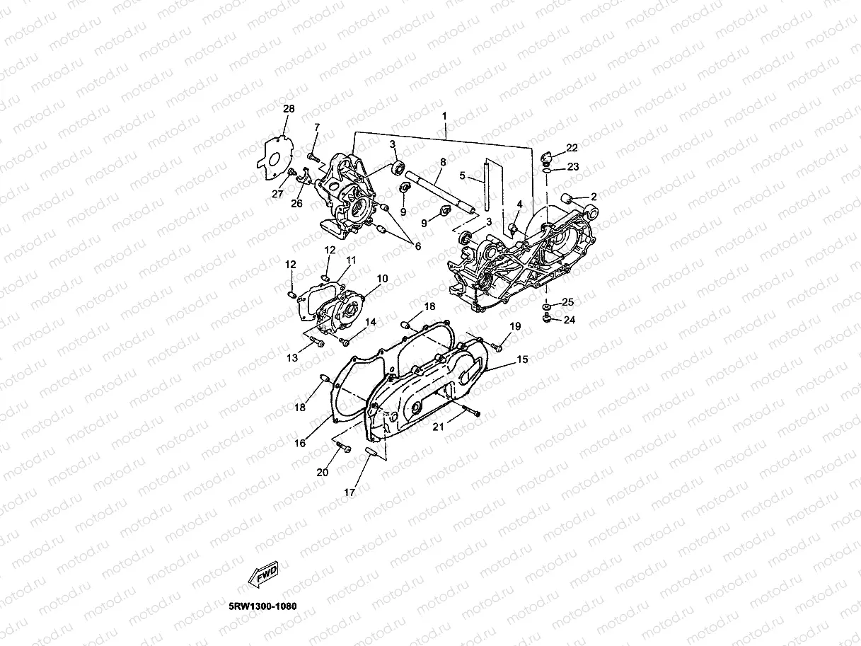
КАРТЕР для CS50 MACH G AC (3D44) 2006 YAMAHA Mach G CS 50

CARTER
1
5AD-E5150-00
CRANKCASE ASSY
Цена по
запросу
2
164-22216-00
Втулка амортизатора
811 ₽
3
93306-003YW
Roulement
Цена по
запросу
4
37P-E5371-00
Штуцер угловой (клапан сапуна)
374 ₽
5
397 ₽
6
99530-12016
Втулка
152 ₽
7
90110-06X79
Болт
3 360 ₽
8
4CU-E5317-00
ntretoise
Цена по
запросу
9
93410-17X00
Стопор
140 ₽
10
3VL-E5421-10
Cover, Crankcase 2
11 994 ₽
11
3VL-E5461-00
Прокладка крышки 2
1 108 ₽
12
Цена по
запросу
13
90110-06X79
Болт
3 360 ₽
14
1TK-E5481-00
Болт диагональный
248 ₽
15
5EU-E5411-10
COVER, CRANKCASE 1
Цена по
запросу
16
5AD-E5451-00
Gasket - belt cover
Цена по
запросу
17
3VL-E5659-10
Вал
686 ₽
18
Цена по
запросу
19
90110-06X77
pc - Vis
Цена по
запросу
20
90110-06X79
Болт
3 360 ₽
21
Цена по
запросу
22
3VL-E5363-00
Пробка масляная
718 ₽
23
93210-14X01
pc - O-Ring
Цена по
запросу
24
90105-08X15
pc - Vis
Цена по
запросу
25
90430-08X00
10 pc - Gasket ring
Цена по
запросу
26
3VL-E5128-00
Пластина
546 ₽
27
90110-06X82
pc - Vis
Цена по
запросу
28
4CU-E5462-00
Gasket - generator cover
Цена по
запросу

Узлы для