CARTER

CARTER
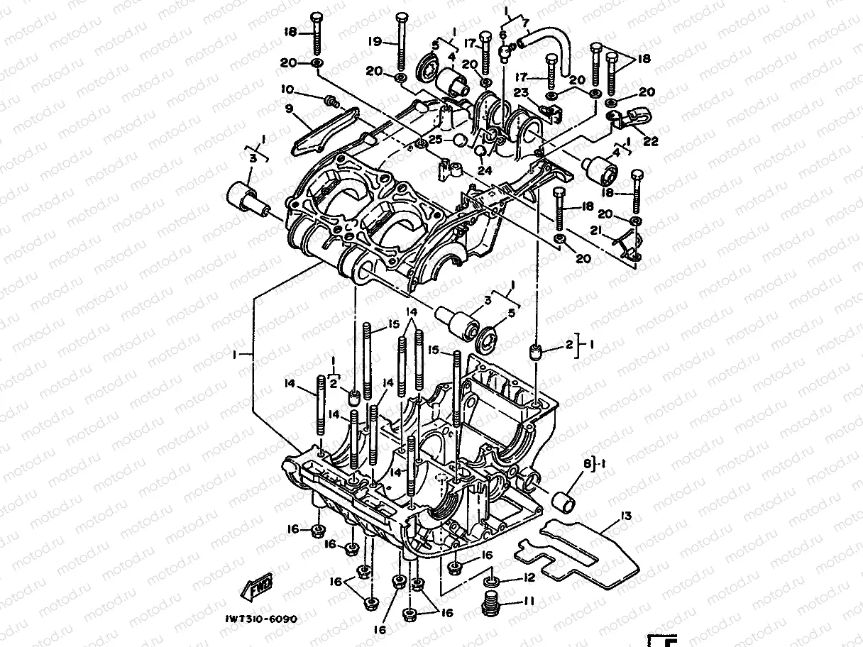
1
29L-15100-04
CRANKCASE ASSY
Цена по
запросу
2
99530-12016
Втулка
152 ₽
3
90388-10006
DAMPER, ENGINE MOUNT 1
Цена по
запросу
4
90388-10007
DAMPER, ENGINE MOUNT 2
Цена по
запросу
5
2YK-15328-00
Spacer, Damper (4L0-15328-00)
2 098 ₽
6
583-15371-00
Штуцер угловой
366 ₽
7
90446-07241
Hose (3Ak)
280 ₽
8
90383-12022
Втулка
461 ₽
9
278-15492-01
Cover
572 ₽
10
97885-05010
Винт
95 ₽
11
90340-14132
Пробка слива масла
152 ₽
12
4F4-14766-00
Washer, Protector (Gasket)
468 ₽
13
4BH-15337-00
DAMPER 4
Цена по
запросу
14
90116-08064
Шпилька
413 ₽
15
90116-08232
Болт заклепка
890 ₽
16
95704-08500
Гайка
95 ₽
17
97017-06045
Bolt
175 ₽
18
97017-06060
Bolt(3Gg)
238 ₽
19
97017-06090
Bolt(3Gg)
238 ₽
20
92990-06200
Шайба
95 ₽
21
90462-16130
Clamp
1 144 ₽
22
90465-06376
Скоба
238 ₽
23
90465-06094
Clamp
731 ₽
24
90338-06143
Пробка
207 ₽
25
90338-16029
Plug
397 ₽

Узлы для