CARBURETOR ASSEMBLY 250 2x4 - Update (4919781978036A) | CARBURETOR ASSEMBLY 250 2x4 - Update (4919781978036A)

CARBURETOR ASSEMBLY 250 2x4 - Update (4919781978036A) | CARBURETOR ASSEMBLY 250 2x4 - Update (4919781978036A)
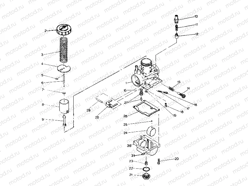
1
3130424
Carburettor
Цена по
запросу
2
3130060
TOP,MIX CHAMBER
Цена по
запросу
3
3130354
SPRING THROTTLE
Цена по
запросу
4
3130002
PLATE THROTTLE
Цена по
запросу
5
3130508
E-RING
Цена по
запросу
6
3130155
JET NEEDLE
Цена по
запросу
7
3130355
Rondelle
Цена по
запросу
8
3130420
VALVE THROTTLE (2.0)
Цена по
запросу
9
3130409
JET NEEDLE(0-4) 169
Цена по
запросу
10
3130359
CAP PLUNGER
Цена по
запросу
11
3131764
SPRING THROTTLE SS
Цена по
запросу
12
3130328
ASM. PLUNGER
Цена по
запросу
13
3130010
Spring
Цена по
запросу
14
3130009
SCREW THROTTLE STOP
Цена по
запросу
15
3130017
PACKING NEEDLE VALVE
Цена по
запросу
16
3130011
SCREW AIR
Цена по
запросу
17
3130012
SPRING AIR ADJUST
Цена по
запросу
18
3130065
JET PILOT #30
Цена по
запросу
19
3130014
WASHER
Цена по
запросу
20
3130025
ASM. SCREW & WASHER
Цена по
запросу
21
3130321
PLUG DRAIN
Цена по
запросу
22
3130239
O-Ring
Цена по
запросу
23
3130112
JET MAIN HX.HD.#145
Цена по
запросу
24
3130021
ASM. FLOAT
Цена по
запросу
25
3130237
CAP
Цена по
запросу
26
3130020
Gasket - float chamber
Цена по
запросу
27
3130360
VALVE NEEDLE (SCREW IN)
Цена по
запросу
28
3130018
ARM FLOAT
Цена по
запросу
29
3130361
PIN FLOAT
Цена по
запросу
30
3130441
FLOAT CHAMBER ASM
Цена по
запросу
31
3130442
"""VENT ELBOW"""
Цена по
запросу

Узлы для