CARBURETOR

CARBURETOR
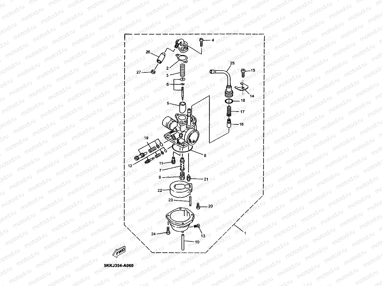
1
5KK-14301-00
Carburettor
Цена по
запросу
2
4JP-14561-00
Кольцо уплотнительное
540 ₽
3
4JP-14331-00
Пружина клапана
546 ₽
4
98580-05014
Винт
120 ₽
5
3VR-14313-30
ALVE, THROTTLE 2
Цена по
запросу
6
5JT-1490J-00
NEEDLE SET
Цена по
запросу
7
5JT-14341-10
NOZZLE, MAIN
Цена по
запросу
8
4JP-14384-01
Прокладка камеры
936 ₽
9
14T-14343-38
Jet, Main (76)
1 795 ₽
10
3KJ-14349-01
Pipe
286 ₽
11
5BM-14353-22
Жиклерпроводник
2 029 ₽
12
4JP-14104-00
Винт
1 542 ₽
13
14T-14104-00
Винт
2 035 ₽
14
4JP-14243-01
late
652 ₽
15
214-24535-00
Винт
302 ₽
16
5KK-14371-00
PLUNGER, STARTER
Цена по
запросу
17
1YU-14335-00
Пружина распылителя
350 ₽
18
4KL-14397-00
Кольцо уплотнительное
254 ₽
19
3KJ-14103-60
Throttle Screw Set
2 231 ₽
20
98580-03006
Винт
191 ₽
21
2JA-14392-00
Клапан
2 209 ₽
22
1HV-14385-01
Поплавок
4 982 ₽
23
367-14386-00
Ось поплавка
429 ₽
24
98580-04016
Винт
95 ₽
25
5KK-14174-00
CAP, PLUNGER
Цена по
запросу
26
3KJ-26329-00
Крышка резиновая
718 ₽
27
85L-14161-00
NUT, CABLE ADJUSTING
Цена по
запросу

Узлы для