КАРБЮРАТОР для YH50 FLIPPER (5JB9) 2002 YAMAHA Flipper 50 YH

CARBURETOR
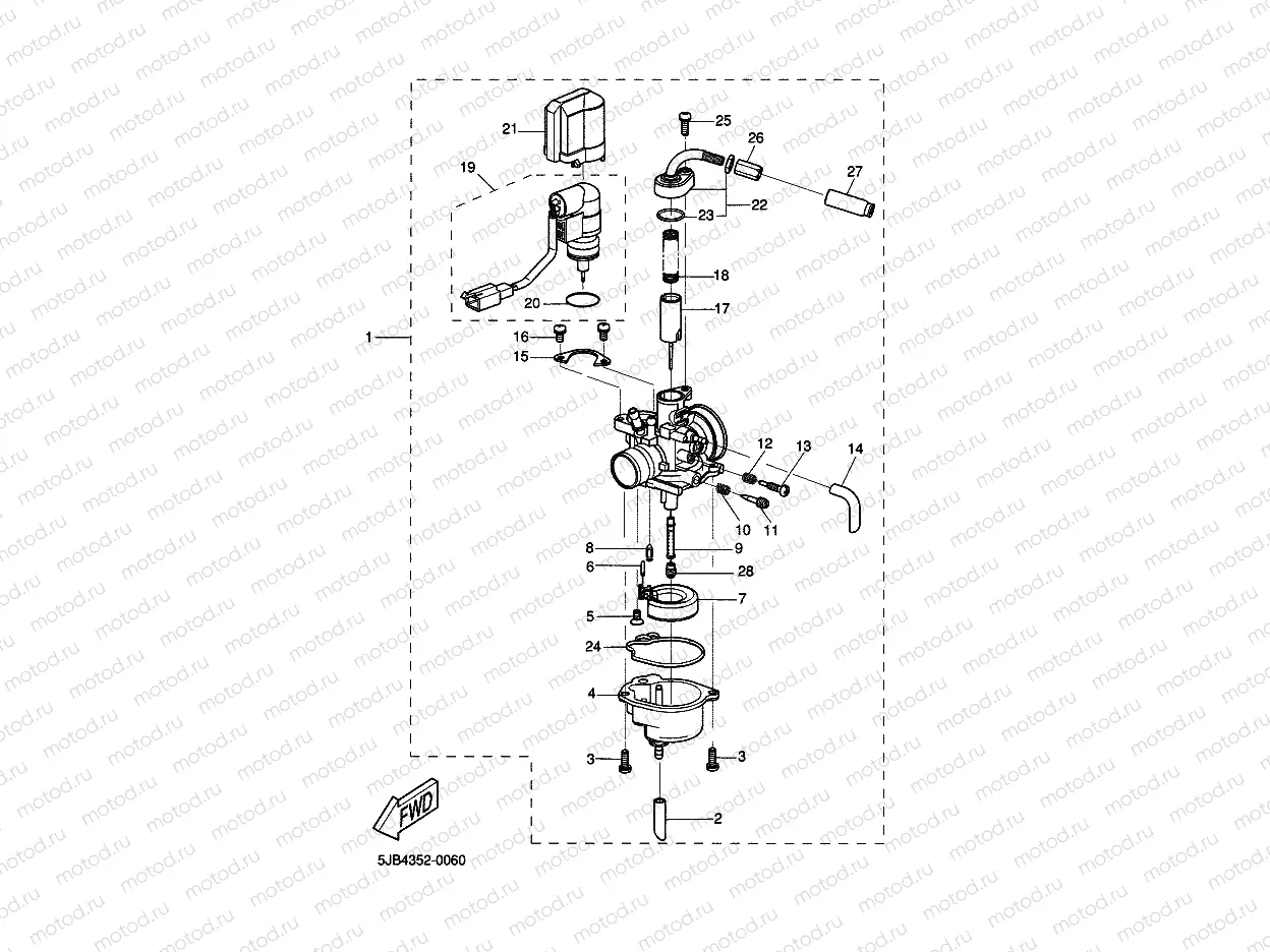
1
5EU-E4301-00
Carburettor
Цена по
запросу
2
Цена по
запросу
3
Цена по
запросу
4
5EU-E4381-00
BODY, FLOAT CHAMBER
Цена по
запросу
5
Цена по
запросу
6
Цена по
запросу
7
5SB-E4G85-00
FLOAT
Цена по
запросу
8
5SB-E4G92-00
VALVE, NEEDLE (Gurtner)
Цена по
запросу
9
5EU-E4341-00
NOZZLE, MAIN
Цена по
запросу
10
5EU-E4134-00
SPRING, AIR ADJUSTING
Цена по
запросу
11
5EU-E4104-00
AIR SCREW SET
Цена по
запросу
12
5EU-E4133-00
SPRING, THROTTLE STOP
Цена по
запросу
13
5EU-E4103-00
THROTTLE SCREW SET
Цена по
запросу
14
Цена по
запросу
15
5EU-E4243-00
PLATE
Цена по
запросу
16
5EU-E4243-00
PLATE
Цена по
запросу
17
5EU-E4312-00
VALVE, THROTTLE 1
Цена по
запросу
18
5EU-E4331-00
SPRING, THROTTLE VALVE
Цена по
запросу
19
5EU-E410A-00
STARTER SET
Цена по
запросу
20
5EU-E4005-00
Gasket ring
Цена по
запросу
21
5EU-E4205-00
Auto choke Cover
Цена по
запросу
22
5EU-E4369-00
DIAPHRAGM ASSY 2
Цена по
запросу
23
5EU-E4198-00
Gasket
Цена по
запросу
24
5EU-E4384-00
Gasket - float chamber (Gurtner)
Цена по
запросу
25
Цена по
запросу
26
5EU-E4161-01
NUT, CABLE ADJUSTING
Цена по
запросу
27
5EU-E6329-00
CAP, RUBBER
Цена по
запросу
28
5EU-E4343-00
Jet principal
Цена по
запросу

Узлы для