КАРБЮРАТОР для XV250 VIRAGO (3LS6) 1994 YAMAHA Virago XV 250 (VIN: 3LS)

CARBURETOR
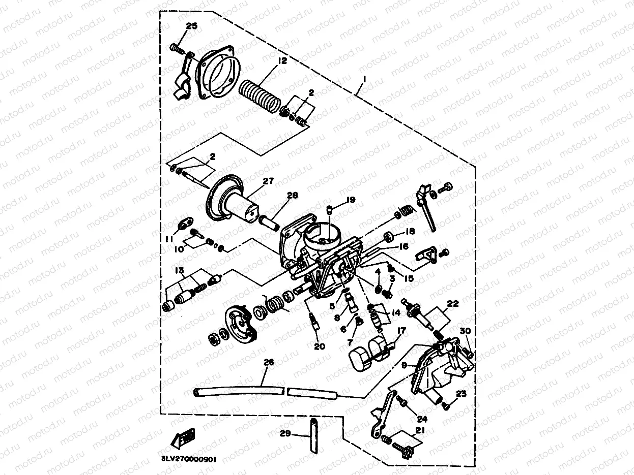
1
3DM-14900-10
Карбюратор
56 195 ₽
1
3LU-14900-10
Carburettor
Цена по
запросу
2
3DM-1490J-00
Игла
1 987 ₽
2
3BG-1490J-00
Игла
3 175 ₽
3
1HK-14565-00
.SCREW
Цена по
запросу
4
137-14153-00
Шайба
302 ₽
5
1AE-14237-00
Прокладка
223 ₽
6
1AE-14227-00
Кольцо уплотнительное
493 ₽
7
620-14231-22-A0
Жиклер главный (110)
1 367 ₽
8
1AE-14261-00
Корпус жиклёра
1 001 ₽
9
1HX-14147-00
Кольцо уплотнительное
1 144 ₽
10
12R-14105-00
Винт регулировочный
3 306 ₽
11
22F-14991-00
Колпачок винта
779 ₽
11
500 ₽
12
1HX-14933-00
Пружина
1 383 ₽
13
3DM-1410A-10
Starter Set
5 417 ₽
14
3CF-14107-10
Клапан в сборе
5 479 ₽
15
1FN-14565-00
Винт
270 ₽
16
353-14186-00
Ось поплавка
429 ₽
17
1HX-14985-00
Поплавок
4 113 ₽
18
256-14997-00
Уплотнение
429 ₽
19
1HX-14231-31
Jet, Main
1 303 ₽
20
22F-14142-17
Жиклёр (#17.5)
1 685 ₽
21
1HX-14103-00
Винт регулировочный
1 478 ₽
22
3DM-14504-01
Rod Set
2 861 ₽
23
12R-14191-00
Пробка сливная
906 ₽
24
98517-04016
Винт
120 ₽
25
98517-04012
Винт
95 ₽
26
3 735 ₽
27
3BG-14940-00
Diaphragm Assy
13 364 ₽
28
3DM-14141-30
Распылитель
3 020 ₽
29
90461-06087
Скоба
518 ₽
30
98580-04014
Винт
120 ₽

Узлы для