КАРБЮРАТОР для XC125 BELUGA (3TE3) 1993 YAMAHA Beluga XC 125 (VIN: 3TE)

CARBURETOR
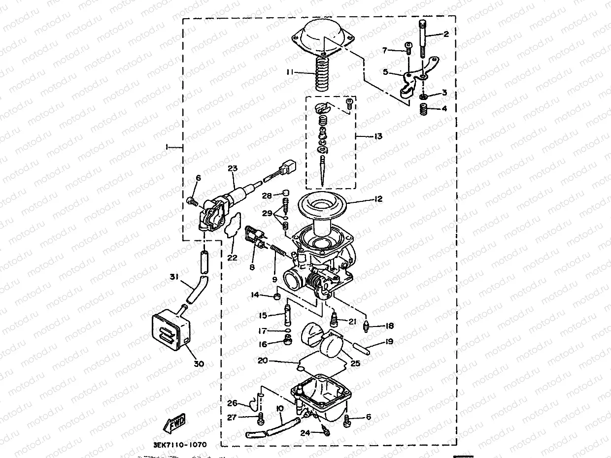
1
3KR-14301-01
Carburettor
Цена по
запросу
2
50M-14321-00
.SCREW, THROTTLE
Цена по
запросу
3
50M-14952-00
Шайба
319 ₽
4
30X-14333-00
.SPRING, THROTTLE STOP
Цена по
запросу
5
50M-14926-00
.BRACKET, THROTTLE 1
Цена по
запросу
6
98517-04012
Винт
95 ₽
7
98580-04008
Винт
111 ₽
8
50M-14371-01
.PLUNGER, STARTER
Цена по
запросу
9
50M-14335-00
.SPRING, PLUNGER
Цена по
запросу
10
1 929 ₽
11
30X-14286-00
Пружина
1 462 ₽
12
2YM-14340-00
Valve Assy
24 093 ₽
13
2YM-1490J-00
NEEDLE SET
Цена по
запросу
14
50M-14355-01
ПРОБКА
232 ₽
15
2YM-14341-00
NOZZLE, MAIN
Цена по
запросу
16
50M-14343-54
Jet, Main (#108)
886 ₽
17
50M-14397-00
Кольцо уплотнительное
779 ₽
18
36F-14392-00
Клапан
3 354 ₽
19
6E5-14386-01
Ось поплавка
350 ₽
20
50M-14384-00
Прокладка камеры
2 670 ₽
21
50M-14342-16
Жиклер пропускной (32)
1 414 ₽
22
50M-14398-01
Gasket
Цена по
запросу
23
50V-14370-01
PLUNGER STARTER ASSY
Цена по
запросу
24
14T-14104-00
Винт
2 035 ₽
25
5Y1-14385-00
Поплавок
9 545 ₽
26
50M-14261-00
Holder
1 670 ₽
27
98580-04014
Винт
120 ₽
28
50M-14355-01
ПРОБКА
232 ₽
29
1XX-14105-00
Pilot Screw Set
2 325 ₽
30
50M-14420-00
AIR CLEANER ASSY 2
Цена по
запросу
31
90445-092K1
Шланг (420 мм)
636 ₽

Узлы для