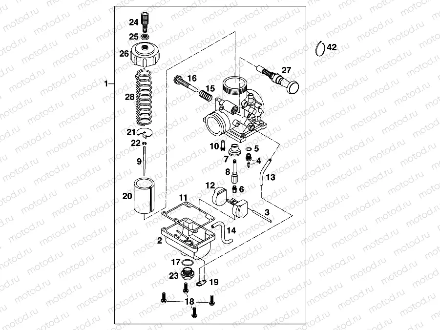
CARBURETOR

CARBURETOR
1
46131001000
CARBURETOR MIKUNI VM24-505 04
2
46031011000
FLOAT BODY 5-1 VM24
3
45031008000
PIN 2,5X27
4
46031020000
NEEDLE VALVE CPL. VM24
5
46031018000
GASKET NEEDLE VALVE 9,1X12X0,5
6
45031023195
MAIN JET 195
6
45031023200
MAIN JET 200
6
45031023205
MAIN JET 205
7
46031074000
BUFFLE
8
46031021000
NEEDLE JET N-8
9
45031034200
JET NEEDLE MIKUNI 5I14
11
45031010100
GASKET FLOAT BOWL
12
46031009000
FLOAT VM24
13
52031137001
PVC-HOSE 3X5MM
14
52031137001
PVC-HOSE 3X5MM
15
45031015100
SPRING MIKUNI
16
46031019000
THROTTLE VALVE SCREW M6X30
17
46031043000
O-RING 17,5X1,4
18
45031014000
LENTIL HEAD SCREW M4X14 (SET)
19
54531612000
BRACKET D7
20
46031035000
THROTTLE VALVE 2.0
21
46031032000
HOLDING WASHER
22
45031045000
Spring
23
46031014000
PLUG SCREW M16 WS=17
24
57031525000
ADJUSTMENT SCREW M6X0,75
25
52031126000
HEXAGON NUT M 6X0,75 DIN0439
26
46031027000
CARBURETOR COVER VM24
27
46031048044
COLD STARTER KNOB CPL. VM24
28
46031030000
THROTTLE VALVE SPRING VM24
42
44011076140
CABLE TIE 140/2,5MM BLACK

Узлы для