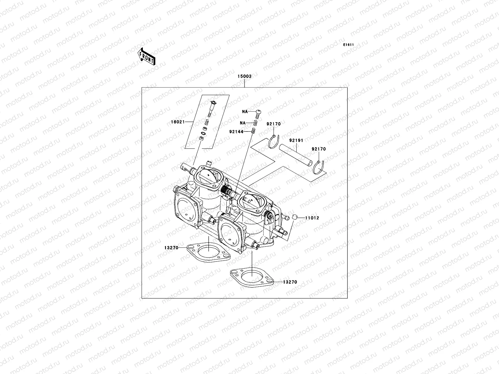
Carburetor

Carburetor
11012
11012-3789
CAP
13270
13270-3830
PLATE,CARBURETOR
15003
15003-3746
Carburettor
16021
16021-3710
SCREW-THROTTLE STOP
92144
92144-3757
Spring
92170
92170-3749
Collier
274 ₽
92191
92191-3770
TUBE,5.3X10.5X85

Узлы для