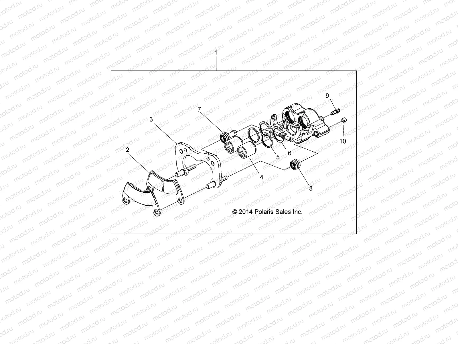
BRAKES | BRAKES, REAR CALIPER - R18RVA87A1/B1/E87A9/B9 (49RGRCALIPERRR15CREW)

BRAKES | BRAKES, REAR CALIPER - R18RVA87A1/B1/E87A9/B9 (49RGRCALIPERRR15CREW)
1
1912375
ASM-BRK-CAL-R-DB1-3/16-GROOVED
Цена по
запросу
1
1912374
ASM-BRK-CAL-L-DB1-3/16-GROOVED
Цена по
запросу
2
2205949
Plaquette de frein
Цена по
запросу
3
1911762
ASM-CALIPER MNT REAR METRIC DB
Цена по
запросу
4
5138832
PISTON-BRAKE 1.188 AL GROOVED
Цена по
запросу
5
5410779
RING SQUARE MOLDED .094
Цена по
запросу
6
5410780
RING SQUARE MOLDED .103X.134
Цена по
запросу
7
5412505
BOOT-PIN BUSHING
Цена по
запросу
8
5412506
BOOT-PIN SEAL
Цена по
запросу
9
7081343
SCR-M7X1.0 BLEEDER OLIVE D
Цена по
запросу
10
7518863
SCR-M10X1.0X8 SOC SET-OD
Цена по
запросу

Узлы для