BRAKES | BRAKES, REAR CALIPER - A18SXM95AL

BRAKES | BRAKES, REAR CALIPER - A18SXM95AL
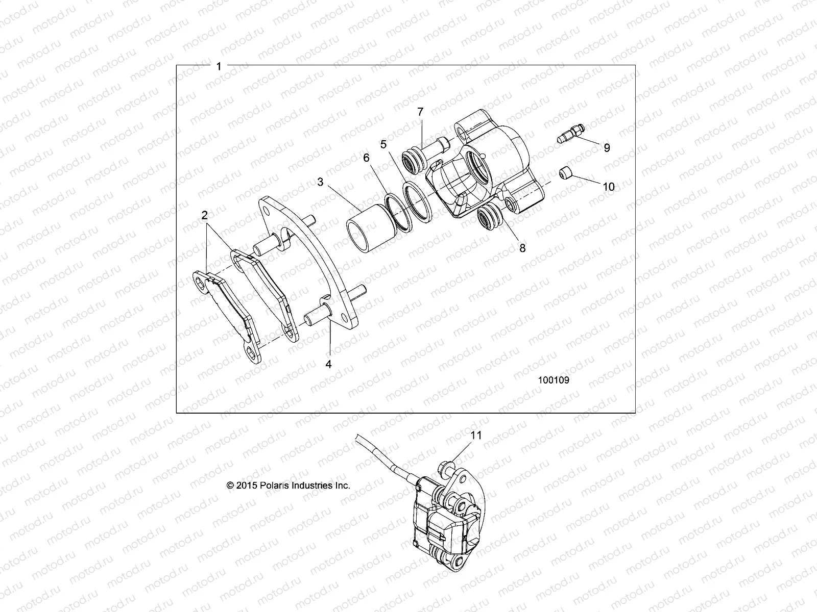
1
1912366
ASM-CLPR BRK 1.25 RL 257A
Цена по
запросу
1
1912367
ASM-CLPR BRK 1.25 RR 257A
Цена по
запросу
2
2205606
KIT-BRAKE PAD HIGH PERF 246MM
Цена по
запросу
3
5132405
PISTON-CALIPER 1.25
Цена по
запросу
4
1911225
ASM-CALIPER MOUNT
Цена по
запросу
5
5411596
SEAL-CALIPER INNER 1.25
Цена по
запросу
6
5411597
SEAL-CALIPER OUTER 1.25
Цена по
запросу
7
5412505
BOOT-PIN BUSHING
Цена по
запросу
8
5412506
BOOT-PIN SEAL
Цена по
запросу
9
7081343
SCR-M7X1.0 BLEEDER OLIVE D
Цена по
запросу
10
7518863
SCR-M10X1.0X8 SOC SET-OD
Цена по
запросу
11
7518760
BOLT-M10X1.25X25 HXFLG W/PATCH
Цена по
запросу

Узлы для