BRAKES | BRAKES, PEDAL and REAR MASTER CYLINDER - A10DH50AX/AZ (49ATVBRAKERR10SP500TRG)

BRAKES | BRAKES, PEDAL and REAR MASTER CYLINDER - A10DH50AX/AZ (49ATVBRAKERR10SP500TRG)
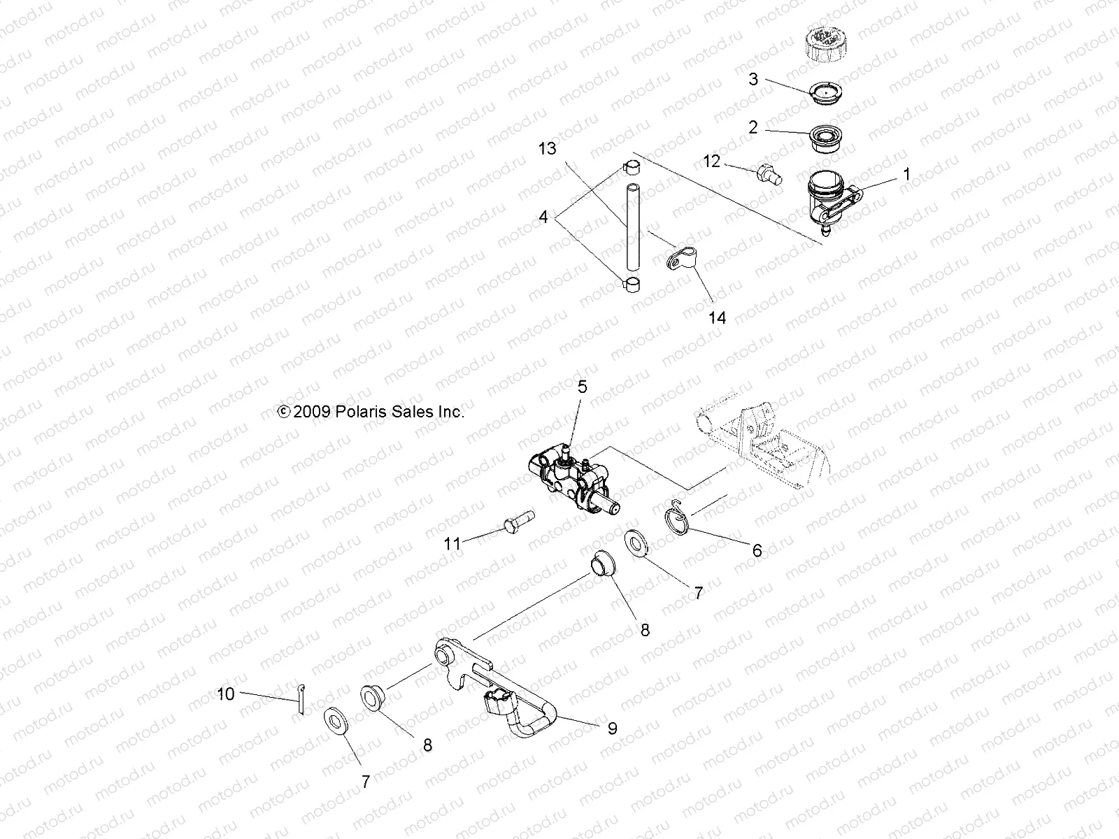
1
1911224
ASM-RESERVOIR BRAKE TALL 2-EAR
Цена по
запросу
2
5413262
DIAPHRAGM-RESERVOIR BRAKE
Цена по
запросу
3
5437041
RING-RESERVOIR BRAKE
Цена по
запросу
4
7080003
CLAMP HOSE
Цена по
запросу
5
1913033
ASM-M/CYL DIRMC 3/4 B/U-RING
Цена по
запросу
6
7043276
SPRING-TORSION BRAKE
Цена по
запросу
7
7555919
Rondelle
Цена по
запросу
8
5433189
BUSHING-PEDAL PIVOT
Цена по
запросу
9
1910919-067
WELD-BRAKE ROD BLK
Цена по
запросу
10
7661401
PIN COTTER
Цена по
запросу
11
7512130
Vis
Цена по
запросу
12
7518196
SCR-10-24X3/4 PH/TX/TRI-SEMS Y
Цена по
запросу
13
1911267-790
HOSE-RESERVOIR BRAKE 790MM
Цена по
запросу
14
7080573
CLAMP RUBBER-COATED .562
Цена по
запросу

Узлы для