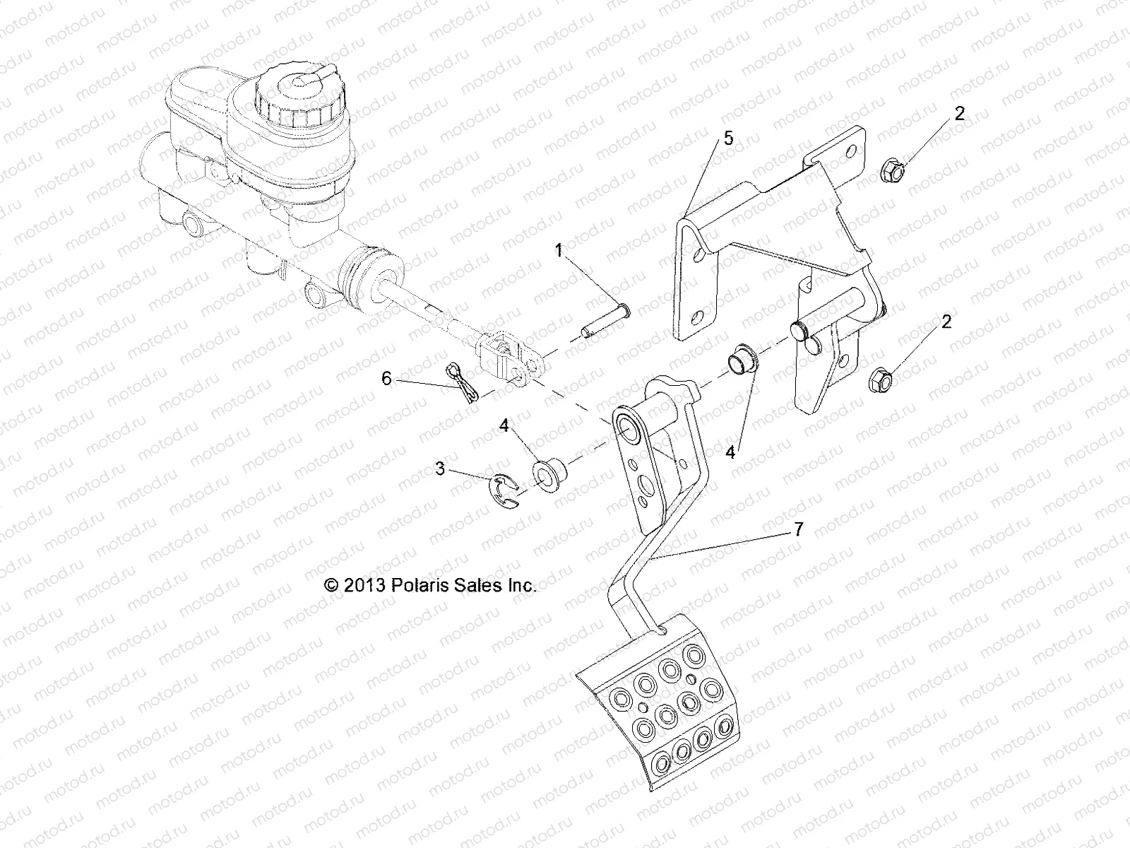
BRAKES | BRAKES, PEDAL and MASTER CYLINDER MOUNTING - R17RVE99NY (49RGRBRAKEFOOT14CREW)

BRAKES | BRAKES, PEDAL and MASTER CYLINDER MOUNTING - R17RVE99NY (49RGRBRAKEFOOT14CREW)
1
7661843
PIN-CLEVIS 1/4 X 3/4 -Y
Цена по
запросу
2
7547332
NUT-M8X1.25 FLG NYLOC-OLIVE D
Цена по
запросу
3
7710901
E RING
Цена по
запросу
4
5439274
BUSHING-PEDAL PIVOT
Цена по
запросу
5
1019667-329
WELD-PEDAL MOUNT BLK
Цена по
запросу
6
7661140
PIN-CLIP 14MM
Цена по
запросу
7
1021765-458
WELD-BRAKE PEDAL M.BLK
Цена по
запросу

Узлы для