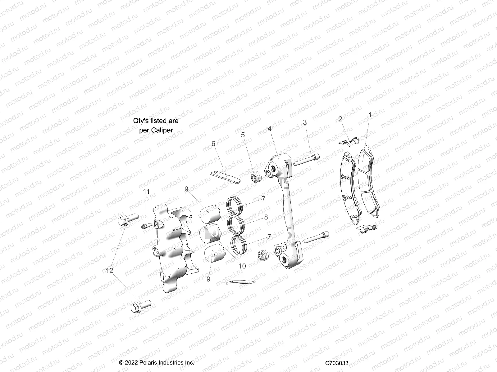
BRAKES | BRAKES, CALIPER, FRONT - Z23RMD2KAK/AJ/BK/BJ (C703033)

BRAKES | BRAKES, CALIPER, FRONT - Z23RMD2KAK/AJ/BK/BJ (C703033)
0
1914296
ASM-BRK-CAL-FL-3-PISTON
Цена по
запросу
0
1914297
ASM-BRK-CAL-FR-3-PISTON
Цена по
запросу
1
1913735
ASM-BRAKEPAD 3XL HIMU SS
Цена по
запросу
2
5266374
CLIP WEAR BRAKE-PAD
Цена по
запросу
3
1913339
PIN BRACKET-SLIDE
Цена по
запросу
4
5143246
BRACKET CARRIER
Цена по
запросу
5
5412506
BOOT-PIN SEAL
Цена по
запросу
6
LR--
CALIPER, BRAKE, RH
Цена по
запросу
7
5412010
SEAL-CALIPER INNER 1.50
Цена по
запросу
8
5412907
SEAL-CALIPER INNER 1.375
Цена по
запросу
9
5144812
PISTON-CLPR 1-1/2 SS SLUG
Цена по
запросу
10
5144813
PISTON-CLPR 1-3/8 SS SLUG
Цена по
запросу
11
7081343
SCR-M7X1.0 BLEEDER OLIVE D
Цена по
запросу
12
LR--
CALIPER, BRAKE, RH
Цена по
запросу

Узлы для