BRAKES | BRAKES, CALIPER, FRONT (BUILT 2/1/16 AND AFTER) - L16U2NAGFA/MA

BRAKES | BRAKES, CALIPER, FRONT (BUILT 2/1/16 AND AFTER) - L16U2NAGFA/MA
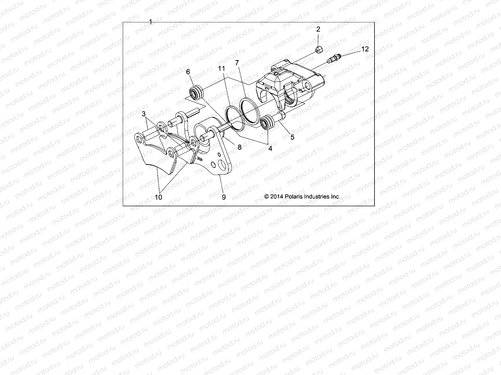
1
1912617
ASM-CALIPER BRK 1.5.RH FRT MET
Цена по
запросу
1
1912616
ASM-CALIPER BRK 1.5 LH FRT MET
Цена по
запросу
2
7518863
SCR-M10X1.0X8 SOC SET-OD
Цена по
запросу
3
7043649
SPRING-COMP SS .506X.546
Цена по
запросу
4
1930642
KIT BOOT FRONT BRAKE
Цена по
запросу
5
5412505
BOOT-PIN BUSHING
Цена по
запросу
6
5412506
BOOT-PIN SEAL
Цена по
запросу
7
5412010
SEAL-CALIPER INNER 1.50
Цена по
запросу
8
5132829
PISTON-BRAKE 1.500
Цена по
запросу
9
1912121
ASM-CALIPER MNT FRONT 1.5 MET
Цена по
запросу
10
2206255
Plaquette de frein
Цена по
запросу
11
5412011
SEAL-CALIPER OUTER 1.50
Цена по
запросу
12
7081343
SCR-M7X1.0 BLEEDER OLIVE D
Цена по
запросу

Узлы для