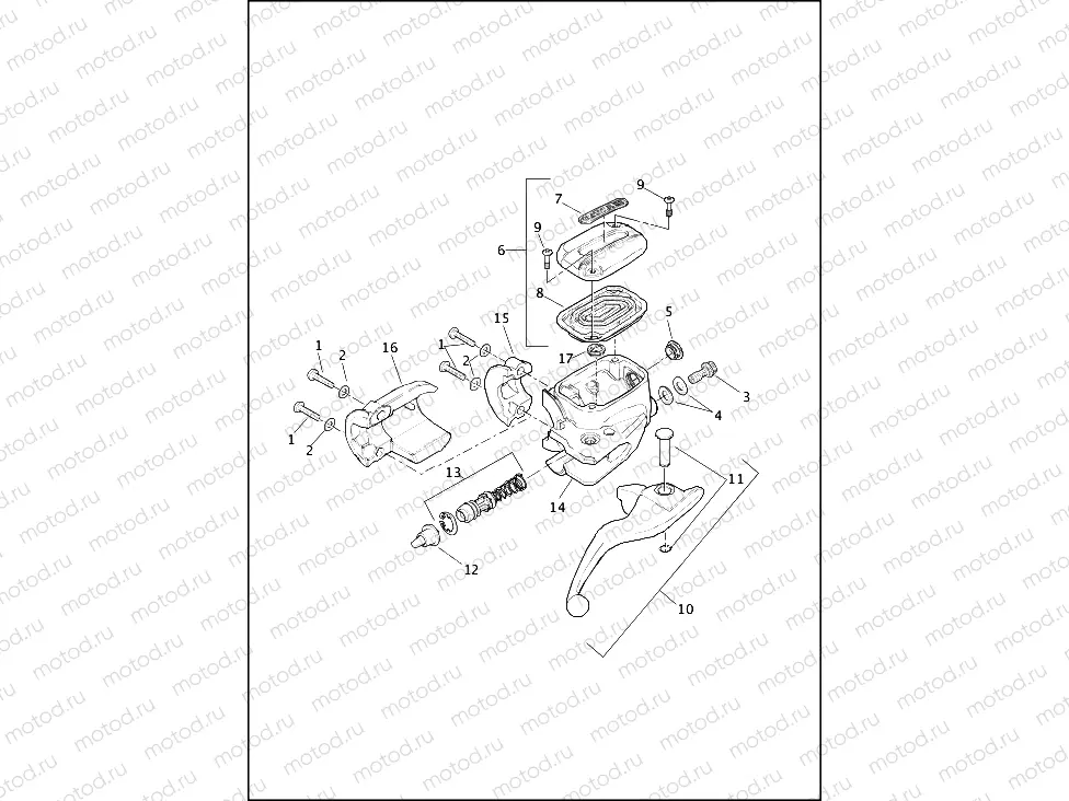
BRAKE CONTROL, FRONT

BRAKE CONTROL, FRONT
1
4132
SCREW, HEX SOCKET BUTTON HEAD
Цена по
запросу
2
6101
Rondelle
Цена по
запросу
3
41750-06B
ANJO BOLT,BRAKELINE
Цена по
запросу
4
41751-06A
GASKET,BRAKELINE
Цена по
запросу
5
42854-06
SIGHT GLASS KIT, MASTER CYLIND
Цена по
запросу
6
42855-06D
MSTR CYL KIT, FRT, BLACK
Цена по
запросу
7
42856-06
DECAL,COVER,FRONT MSTR
Цена по
запросу
8
42857-06B
GASKET,COVER/MSTR CYL
Цена по
запросу
9
42858-06A
SCREW KIT, COVER/MASTER CYL
Цена по
запросу
10
42859-06B
KIT, HANDLEVER, POLISHED
Цена по
запросу
11
42860-06B
KIT-PIVOT PIN,FLT/VRSC
Цена по
запросу
12
42861-06B
MASTER CYL PUSHROD KIT, FRT, V
Цена по
запросу
13
42862-06B
MASTER CYL REPAIR KIT, FRT, TO
Цена по
запросу
14
44551-08F
BRAKE MA CYL ASSY,SIL LVR
Цена по
запросу
15
45138-08A
HALF-CLAMP,MSTR CYL/CLTCH LVR,
Цена по
запросу
16
41700-321
CLAMP,MSTR CYL,FRT BRAKE
Цена по
запросу
17
41700-367
ANTI-BUBBLE BUTTON,BRK MSTR CY
Цена по
запросу

Узлы для