BOX FRAME - A07TH76AU/TN76AF/AL/AU (49ATVBOXX2500EFI) | BOX FRAME - A07TH76AU/TN76AF/AL/AU (49ATVBOXX2500EFI)

BOX FRAME - A07TH76AU/TN76AF/AL/AU (49ATVBOXX2500EFI) | BOX FRAME - A07TH76AU/TN76AF/AL/AU (49ATVBOXX2500EFI)
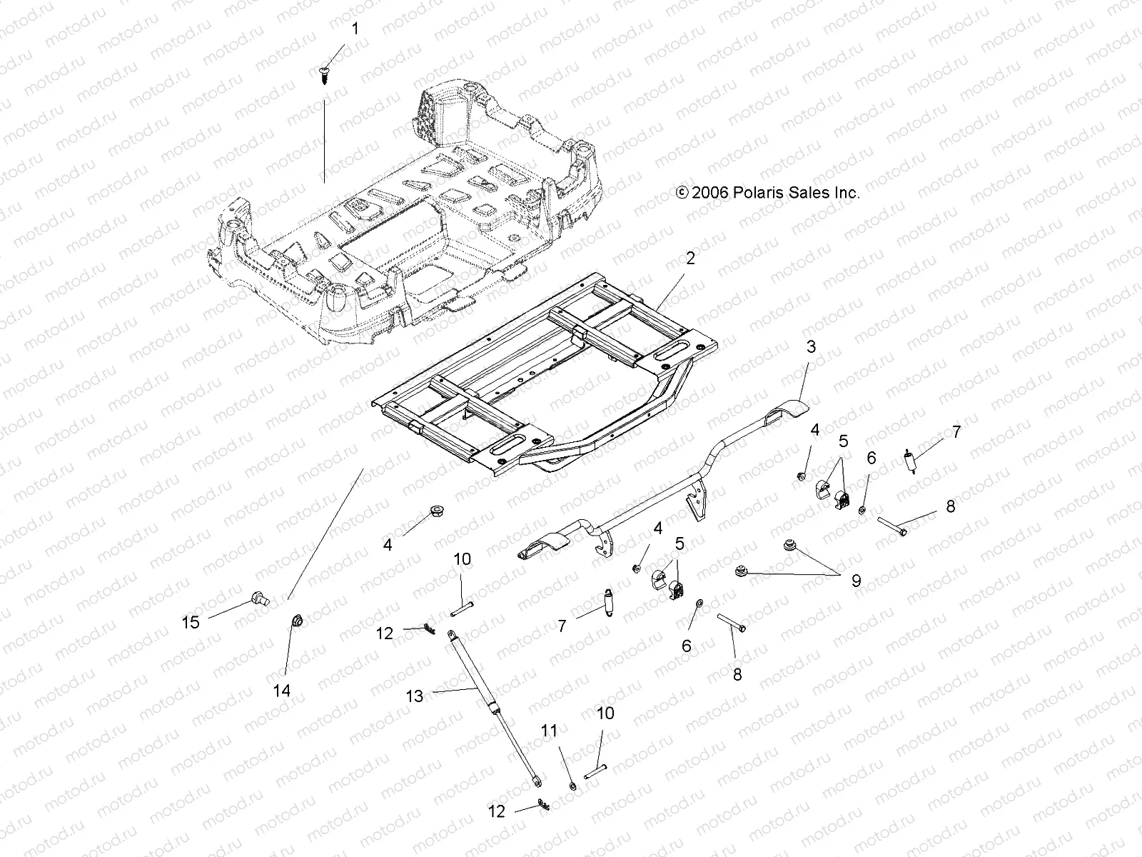
1
7518235
SCR-5/16-18X1.75 TX-M
Цена по
запросу
2
1016170-067
WELD-BOX FRAME X2 BLK
Цена по
запросу
3
1016825-067
WELD-BOX LATCH REAR BLK
Цена по
запросу
4
7542343
NUT FLANGE
Цена по
запросу
5
5434226
BUSHING-BOX LATCH
Цена по
запросу
6
7558402
WASHER FLAT
Цена по
запросу
7
7041687
Spring
Цена по
запросу
8
7515346
Vis
Цена по
запросу
9
5412067
BUMPER-RUBBER (.31) SHORT
Цена по
запросу
10
7661163
PIN-CLEVIS 5/16X1 1/2
Цена по
запросу
11
7556373
SPACER-.34 ID X .56 OD X .31
Цена по
запросу
12
7661644
PIN HITCH
Цена по
запросу
13
7042268
SHOCK-DUMP BOX
Цена по
запросу
14
7542449
NUT FLANGE LOCK
Цена по
запросу
15
7512492
Vis
Цена по
запросу

Узлы для